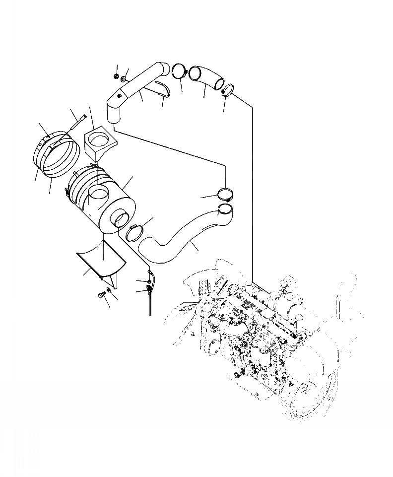
Запчасти Komatsu PC350HD-8 B-A СОЕДИНЕНИЯ ВОЗДУХООЧИСТИТЕЛЯС ПРЕФИЛЬТР КОМПОНЕНТЫ ДВИГАТЕЛЯ

Схема запчастей Komatsu PC350HD-8 - B-A СОЕДИНЕНИЯ ВОЗДУХООЧИСТИТЕЛЯС ПРЕФИЛЬТР КОМПОНЕНТЫ ДВИГАТЕЛЯ
15
16
18
10
4
17
13
14
19
4
1
3
9
3
8
7
6
5
2
12
11
FIT
1:1
100%

Артикул

Название

Примечание

Количество

2

7861-93-1421

SENSOR

3

6151-11-9970

BAND ASSEMBLY

4

6643-11-4641

BOLT

5

207-01-75160

BRACKET

6

11Y-01-11920

JOINT

7

207-01-75170

HOSE

8

208-01-72180

CLAMP

9

07299-00130

CLAMP, HOSE

10

208-01-72310

SEAL

11

01010-81225

BOLT

12

01643-31232

WASHER

13

207-01-75180

TUBE

14

07283-31185

U-BOLT

15

01597-01211

NUT

16

01643-31232

WASHER

17

207-01-75190

HOSE

18

07299-00130

CLAMP, HOSE

19

07299-00120

CLAMP

Выбрано товаров: 18