Запчасти Komatsu PC350LC-6 ОСНОВН. КОНСТРУКЦИЯ (ЛЕВ. СТОЙКА) (РЫЧАГ ЛЕВ. И Э/ПРОВОДКА)(№8-) КАБИНА ОПЕРАТОРА И СИСТЕМА УПРАВЛЕНИЯ

Схема запчастей Komatsu PC350LC-6 - ОСНОВН. КОНСТРУКЦИЯ (ЛЕВ. СТОЙКА) (РЫЧАГ ЛЕВ. И Э/ПРОВОДКА)(№8-) КАБИНА ОПЕРАТОРА И СИСТЕМА УПРАВЛЕНИЯ
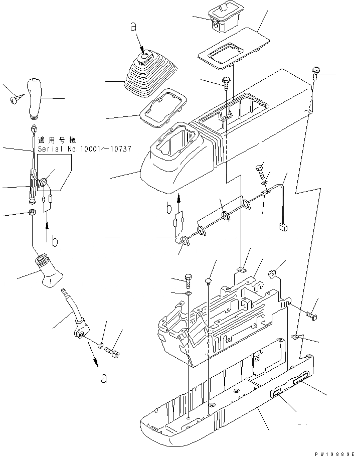
1
2
3
4
5
6
7
8
9
10
11
12
12
13
14
15
16
17
18
19
19A
20
21
22
23
24
24
25
26
27
28
29
30
31
FIT
1:1
100%

Артикул

Название

Примечание

Количество

|$36

20Y-43-21613

LEVER ASS'Y,L.H.

|$37

20Y-43-21612

LEVER ASS'Y,L.H.

1

20Y-43-22211

LEVER,L.H.

|$39

20Y-43-22233

KNOB,L.H.

|$40

20Y-43-22232

KNOB,L.H.

2

01370-10308

SCREW

3

20Y-43-22381

KNOB,L.H.

|$43

20Y-43-00010

SWITCH ASS'Y

4

20Y-43-22421

INSERT

4

20Y-43-22420

INSERT

5

20Y-43-22441

SWITCH,L.H.

5

420Y-43-22430

SWITCH,L.H.

6

20Y-43-22250

PLATE

7

20Y-43-22261

BOOT

8

20Y-43-22370

BOOT

9

600-411-1280

NUT

10

08034-00310

BAND

11

20Y-43-22121

CASE

12

20Y-43-16590

SCREW

|$57

20Y-43-22451

COVER ASS'Y

13

20Y-43-22152

COVER,L.H.

14

20Y-06-21751

ASHTRAY

15

20Y-06-21350

WIRING HARNESS

16

04434-51408

CLIP

16

424-06-12850

CLIP

17

01010-80820

BOLT

18

01643-30823

WASHER

19

08034-00519

BAND

19A

08034-00310

BAND

|$71

20Y-43-21651

COVER ASS'Y

20

20Y-43-22111

CASE

21

20Y-43-22131

FRAME

22

20Y-43-22310

CLIP

23

20Y-43-22470

BOLT

24

20Y-43-22480

SPRING

25

198-911-5530

NUT

26

20Y-43-28290

SHEET

27

20Y-43-28310

SHEET

28

01010-81025

BOLT

29

01643-31032

WASHER

30

01252-41025

BOLT

31

01643-51032

WASHER

Выбрано товаров: 42