Запчасти Komatsu PC350LC-6 ЛИНИЯ ХОДА(№8-) ГИДРАВЛИКА

Схема запчастей Komatsu PC350LC-6 - ЛИНИЯ ХОДА(№8-) ГИДРАВЛИКА
1
1
2
2
3
3
4
4
5
6
7
8
8
8
8
FIT
1:1
100%

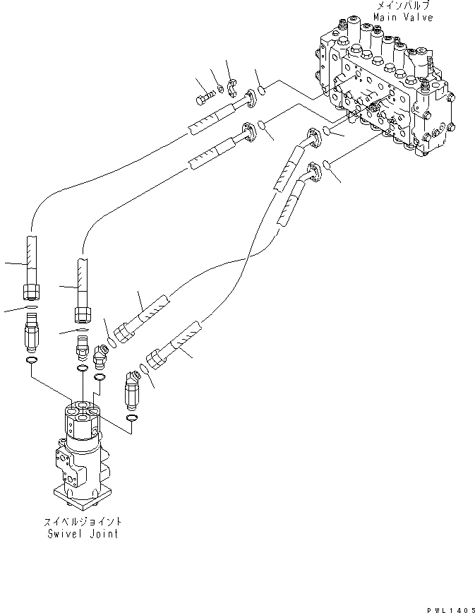
Артикул

Название

Примечание

Количество

1

207-62-64910

HOSE ASS'Y

2

07000-13032

O-RING

3

207-62-64720

HOSE

|3

207-62-64920

HOSE ASS'Y

4

07000-13032

O-RING

5

07371-31049

FLANGE

6

07372-21035

BOLT

7

01643-51032

WASHER

8

207-62-64740

O-RING

Выбрано товаров: 0