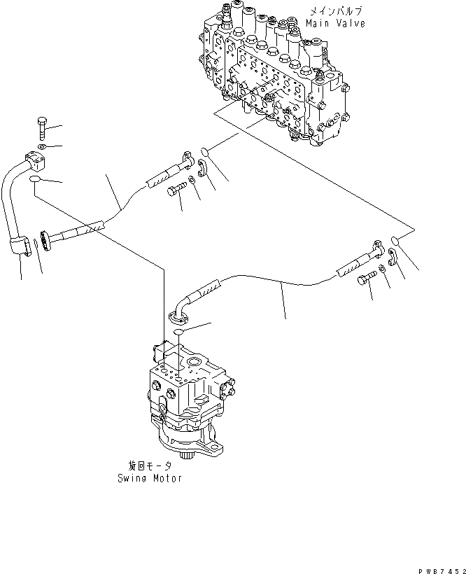
Запчасти Komatsu PC350LC-6 ЛИНИЯ ПОВОРОТА(№-) ГИДРАВЛИКА

Схема запчастей Komatsu PC350LC-6 - ЛИНИЯ ПОВОРОТА(№-) ГИДРАВЛИКА
1
2
2
3
4
4
5
5
6
6
7
7
8
9
10
11
FIT
1:1
100%

Артикул

Название

Примечание

Количество

1

07099-01008

HOSE

2

07000-13032

O-RING

3

208-62-51390

HOSE

4

07000-13032

O-RING

5

07371-31049

FLANGE

6

07372-21035

BOLT

7

01643-51032

WASHER

8

207-62-61391

TUBE

9

07000-13035

O-RING

10

01010-81065

BOLT

11

01643-51032

WASHER

Выбрано товаров: 11