Запчасти Komatsu PC350LC-6Z ЛИНИЯ ПОДАЧИ (БЕЗ ПРОПУСКН. КЛАПАН)(№8-) ГИДРАВЛИКА

Схема запчастей Komatsu PC350LC-6Z - ЛИНИЯ ПОДАЧИ (БЕЗ ПРОПУСКН. КЛАПАН)(№8-) ГИДРАВЛИКА
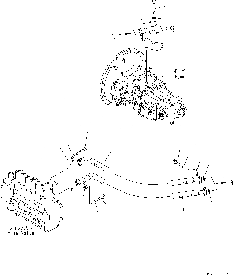
1
2
3
4
5
6
7
8
8
9
10
10
11
12
13
14
14
15
15
16
16
FIT
1:1
100%

Артикул

Название

Примечание

Количество

1

207-62-63570

BLOCK

2

01011-81000

BOLT

3

01643-31032

WASHER

4

07000-13035

O-RING

5

07040-11007

PLUG

6

07002-11023

O-RING

7

208-62-61132

HOSE

8

07000-13032

O-RING

9

07085-01011

HOSE

|9

207-62-64781

HOSE

10

07000-13032

O-RING

11

07371-31049

FLANGE

12

07372-21035

BOLT

13

01643-51032

WASHER

14

07371-31049

FLANGE

15

07372-21035

BOLT

16

01643-51032

WASHER

Выбрано товаров: 17