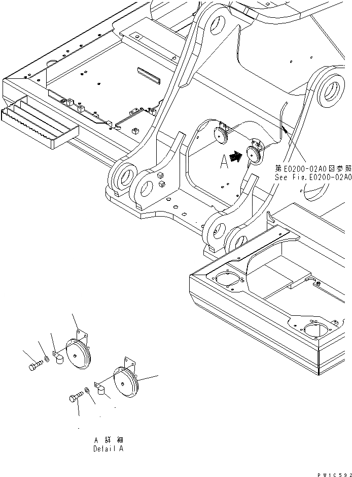
Запчасти Komatsu PC350LC-7-BA ЗВУК. СИГНАЛ. ЭЛЕКТРИКА

Схема запчастей Komatsu PC350LC-7-BA - ЗВУК. СИГНАЛ. ЭЛЕКТРИКА
1
2
3
3
4
4
5
5
FIT
1:1
100%

Артикул

Название

Примечание

Количество

1

08160-62420

HORN

2

08160-62430

HORN

3

01010-80825

BOLT

4

01643-30823

WASHER

5

04434-51008

CLIP

Выбрано товаров: 5