Запчасти Komatsu PC350LC-7-BA ОСНОВН. КЛАПАН (-АКТУАТОР) (/) ОСНОВН. КОМПОНЕНТЫ И РЕМКОМПЛЕКТЫ

Схема запчастей Komatsu PC350LC-7-BA - ОСНОВН. КЛАПАН (-АКТУАТОР) (/) ОСНОВН. КОМПОНЕНТЫ И РЕМКОМПЛЕКТЫ
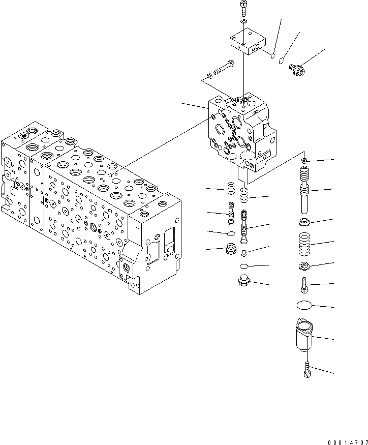
1
2
3
4
5
6
7
8
9
10
11
12
13
14
15
16
17
18
19
20
21
22
FIT
1:1
100%

Артикул

Название

Примечание

Количество

|1

723-48-26102

CONTROL VALVE

|1

723-48-26101

CONTROL VALVE

|1

723-40-71201

VALVE ASS'Y

|1

723-40-71200

VALVE ASS'Y

1

BODY,VALVE

2

SPOOL

3

PLUG

4

723-40-71330

RETAINER

5

723-40-71340

SPRING

6

01252-60816

BOLT

7

723-46-15111

CASE

8

723-40-71350

RETAINER

9

07430-71380

O-RING

10

01252-60820

BOLT

11

SPOOL

|11

SPOOL

12

723-40-71440

SPRING

13

PLUG

14

709-74-91860

PLUG

15

07002-12434

O-RING

16

SPOOL

17

723-40-71390

SPRING

18

723-40-61150

PLUG

19

07002-12434

O-RING

20

723-40-91600

VALVE ASS'Y,RELIEF

21

702-16-53920

O-RING

22

07002-11623

O-RING

Выбрано товаров: 27