Запчасти Komatsu PC350LC-7-BA ВОЗВРАТ. ЛИНИЯ ГИДРАВЛИКА

Схема запчастей Komatsu PC350LC-7-BA - ВОЗВРАТ. ЛИНИЯ ГИДРАВЛИКА
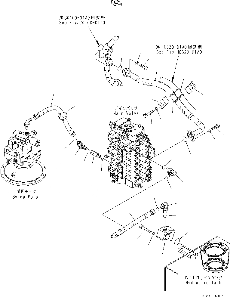
1
2
2
3
3
4
4
5
6
6
7
8
9
10
10A
11
12
13
14
15
16
17
18
19
20
20
21
21
22
22
23
FIT
1:1
100%

Артикул

Название

Примечание

Количество

1

207-62-71480

HOSE,1010MM

2

07000-13048

O-RING

3

01010-81240

BOLT

4

01643-31232

WASHER

5

07094-31228

CLAMP

6

07095-01245

CUSHION

7

207-62-71490

CLAMP

8

01010-81270

BOLT

9

01643-31232

WASHER

10

207-62-72770

HOSE¤ 950MM

|10

207-62-72510

HOSE¤ 950MM,950MM

10A

08034-20536

BAND

11

203-62-61410

JOINT

12

07002-12434

O-RING

13

207-62-72131

ELBOW

14

207-62-64740

O-RING

15

07002-12434

O-RING

16

207-62-71340

BLOCK

17

07000-12060

O-RING

18

01011-81205

BOLT

19

01643-31232

WASHER

20

21W-62-42640

ELBOW

21

207-62-64740

O-RING

22

07002-13334

O-RING

23

207-62-71390

HOSE,560MM

Выбрано товаров: 0