Запчасти Komatsu PC350LC-7 ОСНОВН. КЛАПАН (-АКТУАТОР) (7/) ОСНОВН. КОМПОНЕНТЫ И РЕМКОМПЛЕКТЫ

Схема запчастей Komatsu PC350LC-7 - ОСНОВН. КЛАПАН (-АКТУАТОР) (7/) ОСНОВН. КОМПОНЕНТЫ И РЕМКОМПЛЕКТЫ
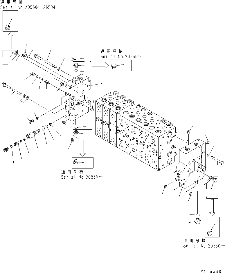
1
2
2
2
2
3
4
5
5
5
5
6
6
6
6
6
6
6
6
7
7
7
7
8
9
10
11
12
13
14
15
16
17
18
19
20
21
22
23
24
25
26
27
27
27
28
28
FIT
1:1
100%

Артикул

Название

Примечание

Количество

|$3

723-49-26102

CONTROL VALVE

|$4

723-49-26101

CONTROL VALVE

|$5

723-49-26100

CONTROL VALVE

|$7

723-46-00660

COVER ASS'Y

1

COVER,A

2

PLUG

3

PLUG

|$11

723-46-00742

COVER ASS'Y

4

COVER,B

5

PLUG

6

708-8E-16250

PLUG

6

708-8E-16250

PLUG

6

723-46-15180

PLUG

7

07002-11823

O-RING

7

07002-11823

O-RING

|$19

723-46-17600

PLUG ASS'Y

8

723-46-17610

SLEEVE

9

723-46-17640

PLUG

10

702-21-55760

FILTER

11

07002-11423

O-RING

12

07000-11007

O-RING

13

07001-01007

RING,BACK-UP

14

708-8E-16160

PLUG

15

07002-11023

O-RING

16

723-40-82220

FILTER

17

723-46-17550

PLUG

18

723-46-15190

VALVE

19

723-46-14140

SPRING

20

708-8E-16160

PLUG

21

07002-11023

O-RING

22

709-74-91860

PLUG

23

07002-12434

O-RING

24

708-8H-11530

PLUG

25

07002-11423

O-RING

26

01010-61490

BOLT

27

01643-31445

WASHER

28

723-46-15480

BOLT

Выбрано товаров: 37