Запчасти Komatsu PC350LC-7 ПОДАЮЩ. ТРУБЫ (C ПРОХОДНЫМ ФИЛЬТРОМ) ГИДРАВЛИКА

Схема запчастей Komatsu PC350LC-7 - ПОДАЮЩ. ТРУБЫ (C ПРОХОДНЫМ ФИЛЬТРОМ) ГИДРАВЛИКА
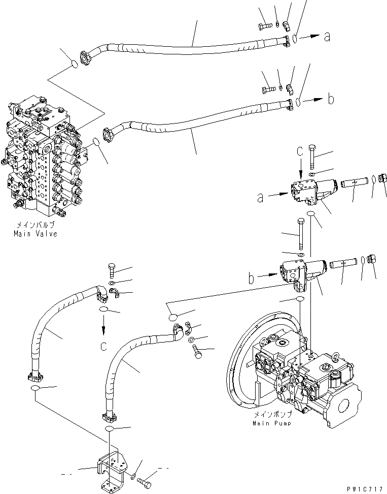
1
2
3
4
5
6
7
8
9
10
11
12
13
14
15
16
16
18
19
19
20
20
21
21
22
22
23
23
24
24
24
24
25
25
26
26
27
27
28
29
30
FIT
1:1
100%

Артикул

Название

Примечание

Количество

|$5

207-62-71101

FILTER ASS'Y

|$6

207-62-71100

FILTER ASS'Y

|$7

207-62-71101

FILTER ASS'Y

|$8

207-62-71100

FILTER ASS'Y

1

207-62-71130

CASE

2

20Y-60-22372

PLUG

2

20Y-60-22371

PLUG

2

20Y-60-22372

PLUG

2

20Y-60-22371

PLUG

3

207-60-61250

STRAINER

4

07002-13634

O-RING

5

07000-13035

O-RING

6

01011-81030

BOLT

7

01643-31032

WASHER

|$21

207-62-71201

FILTER ASS'Y

|$22

207-62-71200

FILTER ASS'Y

|$23

207-62-71201

FILTER ASS'Y

|$24

207-62-71200

FILTER ASS'Y

8

207-62-71250

CASE

9

20Y-60-22372

PLUG

9

20Y-60-22371

PLUG

9

20Y-60-22372

PLUG

9

20Y-60-22371

PLUG

10

207-60-61250

STRAINER

11

07002-13634

O-RING

12

07000-13035

O-RING

13

01011-81075

BOLT

14

01643-31032

WASHER

15

207-62-71880

HOSE

16

07000-13032

O-RING

18

207-62-71890

HOSE

19

07000-13032

O-RING

20

07371-31049

FLANGE

21

07372-21035

BOLT

22

01643-51032

WASHER

23

207-62-71760

HOSE

24

07000-13032

O-RING

25

07371-31049

FLANGE

26

07372-21035

BOLT

27

01643-51032

WASHER

28

207-62-71970

BRACKET

29

01010-81260

BOLT

30

01643-31232

WASHER

Выбрано товаров: 43