Запчасти Komatsu PC350LC-7E0 НАВЕСНОЕ ОБОРУД-Е (ОСНОВН. ПРАВ.) ( АКТУАТОР) ГИДРАВЛИКА

Схема запчастей Komatsu PC350LC-7E0 - НАВЕСНОЕ ОБОРУД-Е (ОСНОВН. ПРАВ.) ( АКТУАТОР) ГИДРАВЛИКА
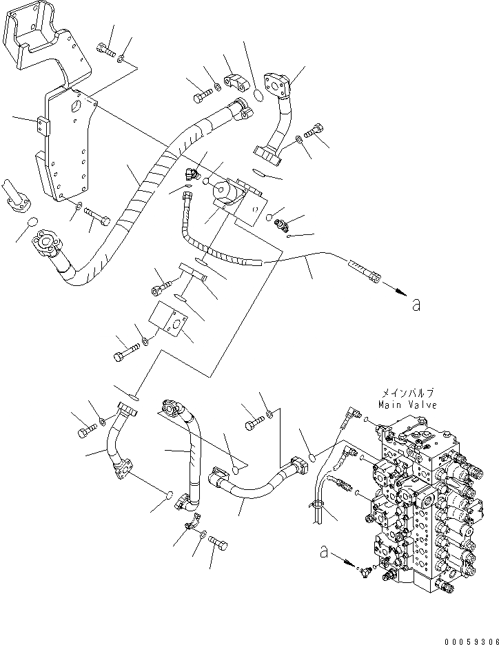
1
2
3
4
5
6
7
8
9
10
11
12
13
14
15
16
17
18
19
20
21
22
23
24
25
26
27
28
29
30
31
32
33
33
34
35
36
37
38
38
39
40
41
42
43
FIT
1:1
100%

Артикул

Название

Примечание

Количество

1

207-62-73141

BRACKET

2

01011-81200

BOLT

3

01643-31232

WASHER

4

702-21-01920

VALVE ASS'Y

5

11Y-62-12160

ELBOW

6

02896-11008

O-RING

7

07002-11423

O-RING

8

11Y-62-12170

ELBOW

9

02896-11008

O-RING

10

07002-12034

O-RING

11

01010-81040

BOLT

12

01643-31032

WASHER

13

207-62-73150

TUBE

14

07000-13048

O-RING

15

01010-81455

BOLT

16

01643-31445

WASHER

17

207-62-73190

TUBE

18

07000-13035

O-RING

19

07372-21040

BOLT

20

01643-51032

WASHER

21

207-62-73260

PLATE

22

07000-13048

O-RING

23

01252-71225

BOLT

24

207-62-73230

BLOCK

25

07000-13048

O-RING

26

01011-81210

BOLT

27

01643-31232

WASHER

28

207-62-73180

TUBE

29

07000-13035

O-RING

30

07372-21040

BOLT

31

01643-51032

WASHER

32

207-62-73290

HOSE, 630MM

33

07000-13032

O-RING

34

07371-31049

FLANGE

35

07372-21035

BOLT

36

01643-51032

WASHER

37

207-62-73280

HOSE, 1830MM

38

07000-13048

O-RING

39

07371-51470

FLANGE

40

01010-81455

BOLT

41

01643-31445

WASHER

42

207-62-73380

HOSE, 700MM

43

08034-20536

BAND

Выбрано товаров: 43