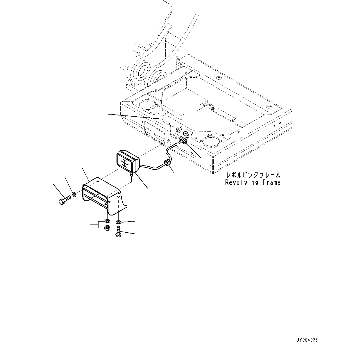
Запчасти Komatsu PC350LC-8 ДОПОЛН. ЛАМПА РАБОЧ. ОСВЕЩЕНИЯ (№-) ДОПОЛН. ЛАМПА РАБОЧ. ОСВЕЩЕНИЯ, ЕС ARRANGEMENT

Схема запчастей Komatsu PC350LC-8 - ДОПОЛН. ЛАМПА РАБОЧ. ОСВЕЩЕНИЯ (№-) ДОПОЛН. ЛАМПА РАБОЧ. ОСВЕЩЕНИЯ, ЕС ARRANGEMENT
8
1
7
4
3
2
1
5
6
9
FIT
1:1
100%

Артикул

Название

Примечание

Количество

1

20Y-06-K2760

Lamp Assembly, Working

2

207-06-K1610

Bracket

3

01010-81225

Bolt

4

01643-31232

Washer

5

01245-01225

Screw, Hexagon Socket Head

6

01643-71232

Washer

7

08037-02512

Grommet

8

08037-03620

Grommet

9

207-06-76710

Wiring Harness

|$9

207-06-76710

Wiring Harness

|$10

207-06-76710

Wiring Harness

|$11

207-06-76710

Wiring Harness

|$12

207-06-76710

Wiring Harness

|$13

207-06-76710

Wiring Harness

|$14

207-06-76710

Wiring Harness

Выбрано товаров: 15