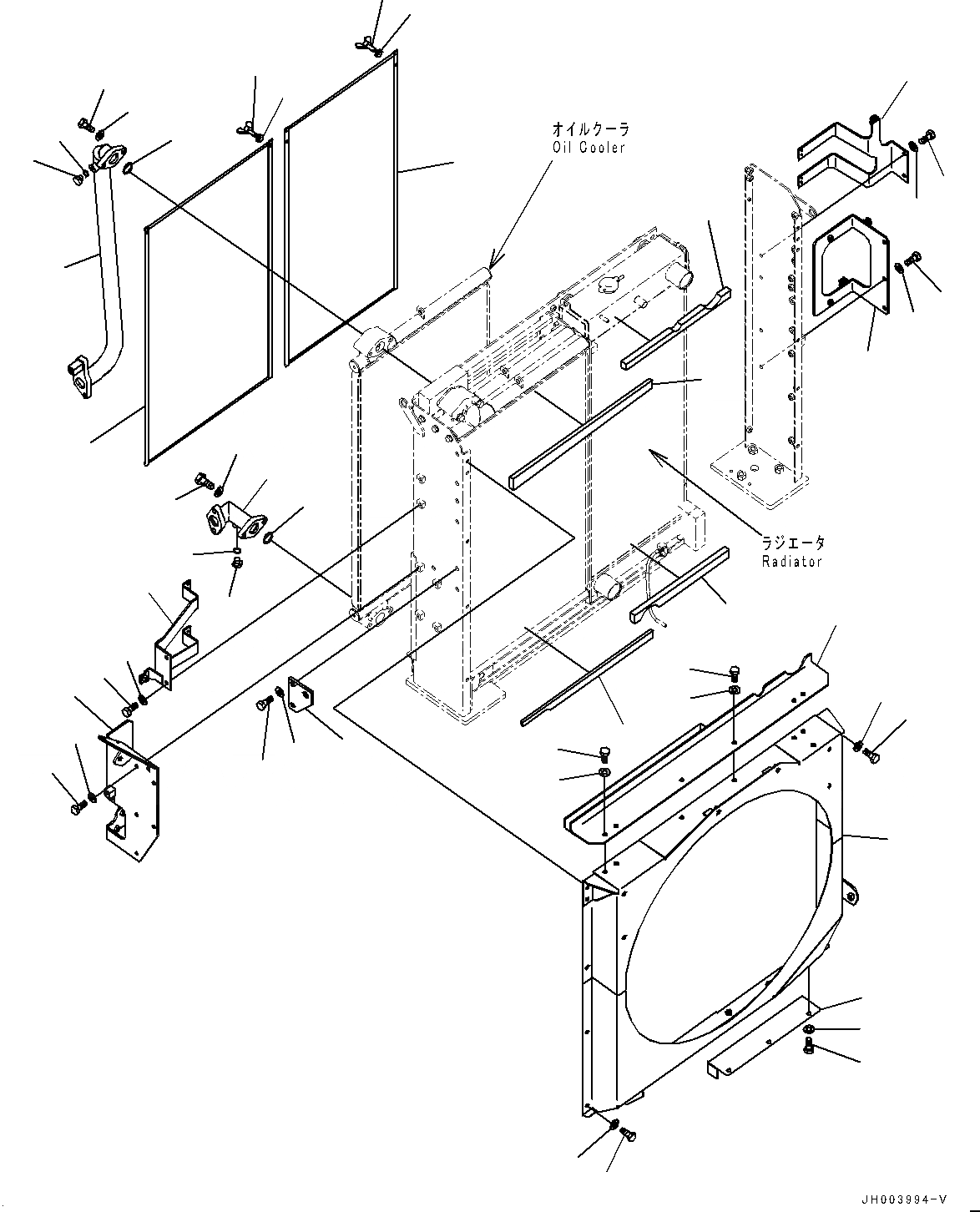
Запчасти Komatsu PC350LC-8 СИСТЕМА ОХЛАЖДЕНИЯ, КОЖУХ (№-) СИСТЕМА ОХЛАЖДЕНИЯ, С АВТОМАТИЧ. КОНДИЦ. ВОЗДУХА

Схема запчастей Komatsu PC350LC-8 - СИСТЕМА ОХЛАЖДЕНИЯ, КОЖУХ (№-) СИСТЕМА ОХЛАЖДЕНИЯ, С АВТОМАТИЧ. КОНДИЦ. ВОЗДУХА
29
28
16
15
14
13
38
37
36
50
49
47
46
45
44
43
41
40
39
35
34
33
32
31
27
26
25
24
23
22
21
20
19
18
17
11
10
9
8
7
5
6
4
2
3
1
42
48
30
12
FIT
1:1
100%

Артикул

Название

Примечание

Количество

1

208-03-71360

Net

2

01434-10616

Bolt, Wing

3

01643-30623

Washer

4

208-03-71370

Net

5

01434-10616

Bolt, Wing

6

01643-30623

Washer

7

207-03-75252

Cover

8

01010-81020

Bolt

9

01643-31032

Washer

10

01010-81030

Bolt

11

01643-31032

Washer

12

207-03-76371

Cover

13

01010-81030

Bolt

14

01643-31032

Washer

15

01010-81020

Bolt

16

01643-31032

Washer

17

207-03-75270

Cover

18

01010-81020

Bolt

19

01643-31032

Washer

20

208-03-71720

Seal

21

208-03-71741

Seal

22

208-03-71751

Seal

23

208-03-71760

Seal

24

207-03-75231

Bracket

25

01010-81030

Bolt

26

01643-31032

Washer

27

207-03-75241

Bracket

28

01010-81020

Bolt

29

01643-31032

Washer

30

207-979-7623

Bracket

31

01010-81020

Bolt

32

01643-31032

Washer

33

207-979-7631

Bracket

34

01010-81020

Bolt

35

01643-31032

Washer

36

207-03-75190

Bracket

37

01010-81225

Bolt

38

01643-31232

Washer

39

207-03-75211

Tube

40

07002-11423

O-ring

41

07040-11409

Plug

42

07000-13045

O-ring

43

01010-81235

Bolt

44

01643-31232

Washer

45

208-03-71350

Tube

46

07000-13045

O-ring

47

07040-11409

Plug

48

07002-11423

O-ring

49

01010-81235

Bolt

50

01643-31232

Washer

Выбрано товаров: 50