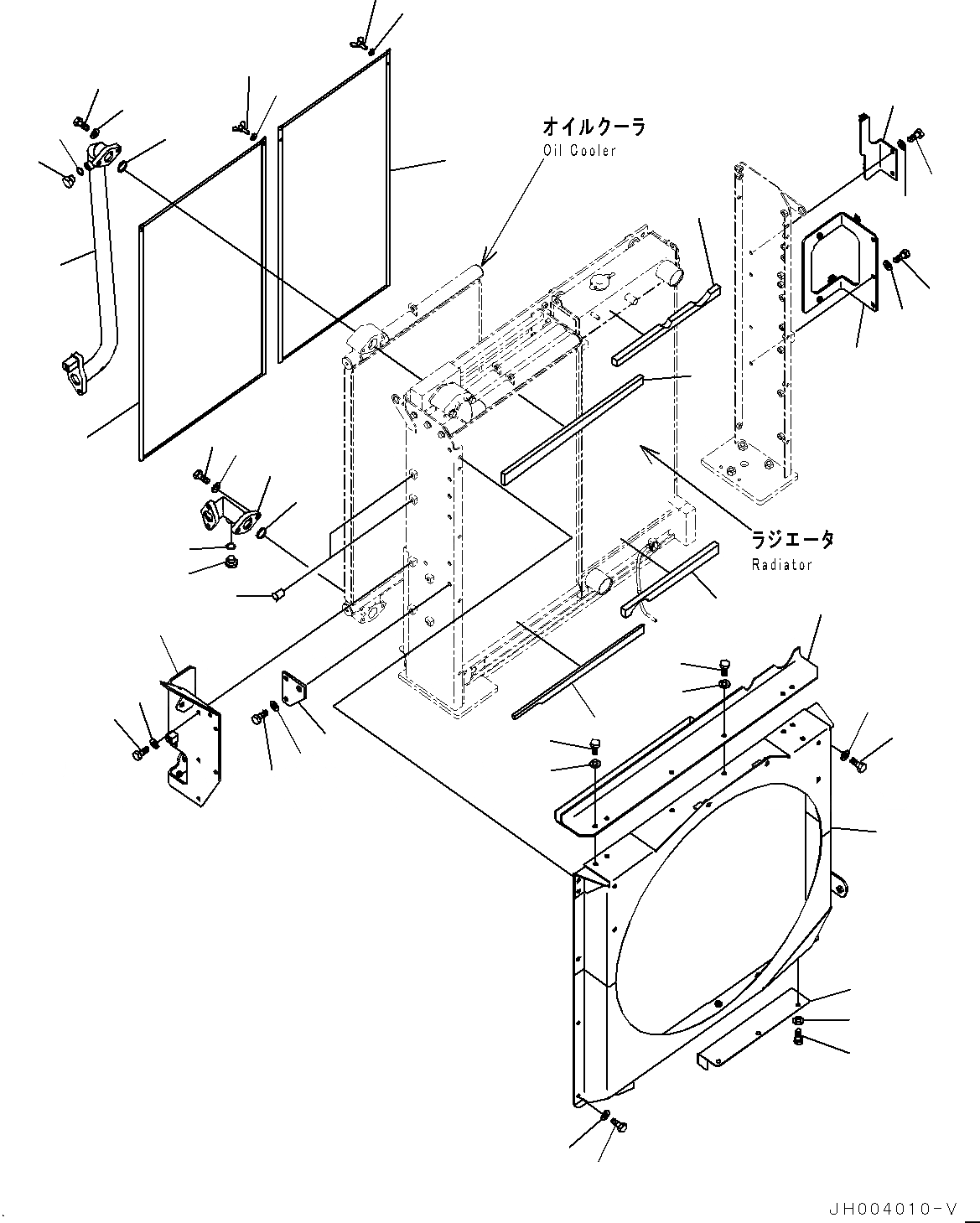
Запчасти Komatsu PC350LC-8 СИСТЕМА ОХЛАЖДЕНИЯ, КОЖУХ (№-) СИСТЕМА ОХЛАЖДЕНИЯ, С КОНДИЦИОНЕРОМ

Схема запчастей Komatsu PC350LC-8 - СИСТЕМА ОХЛАЖДЕНИЯ, КОЖУХ (№-) СИСТЕМА ОХЛАЖДЕНИЯ, С КОНДИЦИОНЕРОМ
29
28
16
15
14
13
36
35
34
48
47
45
44
43
42
41
39
38
37
33
32
27
26
25
24
23
22
21
20
19
18
17
11
10
9
8
7
5
6
4
2
3
1
40
46
31
30
12
FIT
1:1
100%

Артикул

Название

Примечание

Количество

1

208-03-71360

Net

2

01434-10616

Bolt, Wing

3

01643-30623

Washer

4

208-03-71370

Net

5

01434-10616

Bolt, Wing

6

01643-30623

Washer

7

207-03-75252

Cover

8

01010-81020

Bolt

9

01643-31032

Washer

10

01010-81030

Bolt

11

01643-31032

Washer

12

207-03-76371

Cover

13

01010-81030

Bolt

14

01643-31032

Washer

15

01010-81020

Bolt

16

01643-31032

Washer

17

207-03-75270

Cover

18

01010-81020

Bolt

19

01643-31032

Washer

20

208-03-71720

Seal

21

208-03-71741

Seal

22

208-03-71751

Seal

23

208-03-71760

Seal

24

207-03-75231

Bracket

25

01010-81030

Bolt

26

01643-31032

Washer

27

207-03-75241

Bracket

28

01010-81020

Bolt

29

01643-31032

Washer

30

07049-01012

Plug

31

207-979-7670

Bracket

32

01010-81020

Bolt

33

01643-31032

Washer

34

207-03-75190

Bracket

35

01010-81225

Bolt

36

01643-31232

Washer

37

207-03-75211

Tube

38

07002-11423

O-ring

39

07040-11409

Plug

40

07000-13045

O-ring

41

01010-81235

Bolt

42

01643-31232

Washer

43

208-03-71350

Tube

44

07000-13045

O-ring

45

07040-11409

Plug

46

07002-11423

O-ring

47

01010-81235

Bolt

48

01643-31232

Washer

Выбрано товаров: 0