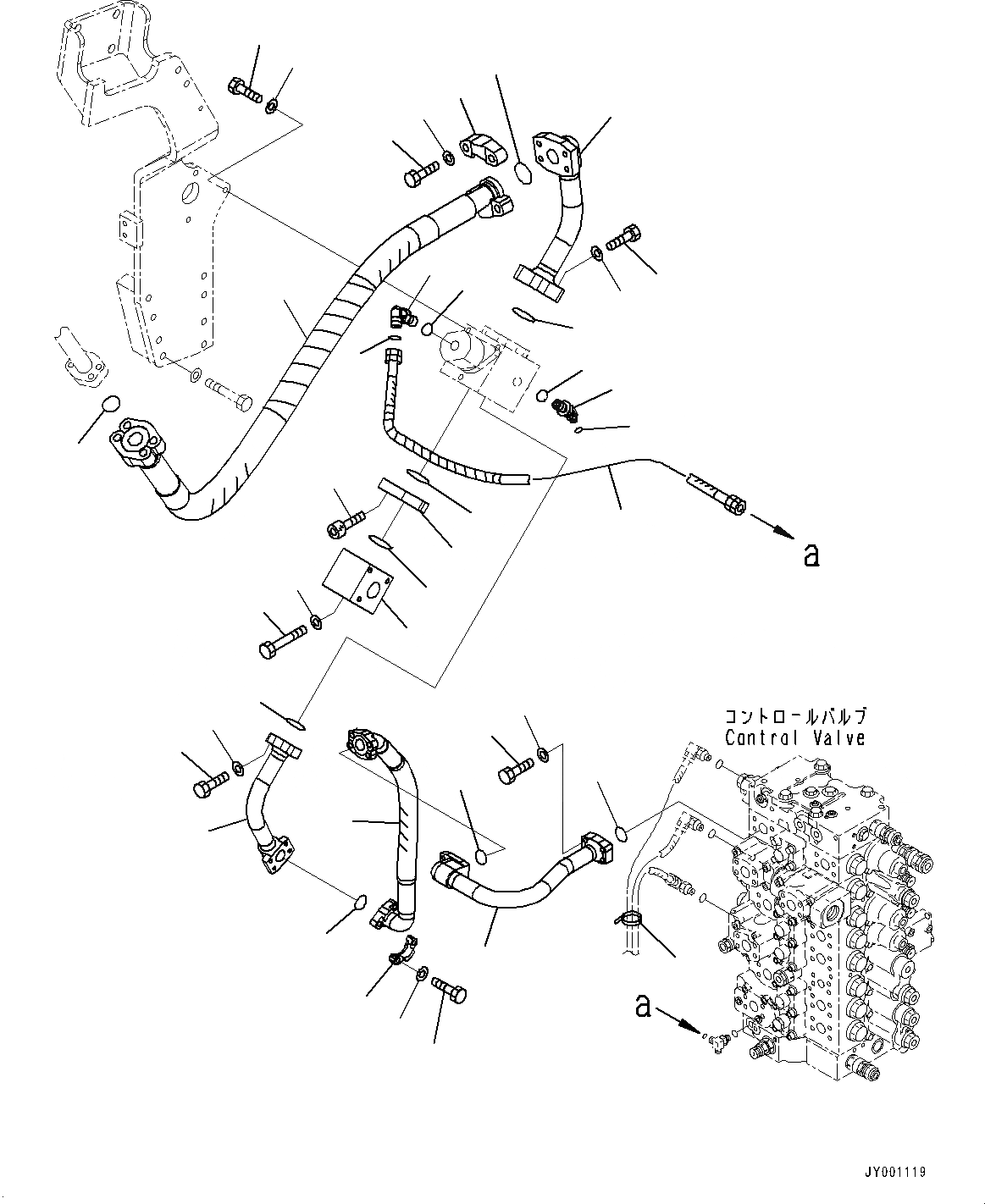
Запчасти Komatsu PC350LC-8 АКТУАТОР ТРУБЫ, ОСНОВН. ТРУБЫ, ПРАВ. (№-) АКТУАТОР ТРУБЫ, ДОПОЛН. АКТУАТОР ТРУБЫ, АККУМУЛЯТОР

Схема запчастей Komatsu PC350LC-8 - АКТУАТОР ТРУБЫ, ОСНОВН. ТРУБЫ, ПРАВ. (№-) АКТУАТОР ТРУБЫ, ДОПОЛН. АКТУАТОР ТРУБЫ, АККУМУЛЯТОР
38
34
14
4
6
5
16
15
23
22
10
9
26
27
24
31
25
34
33
11
12
28
32
29
19
17
20
18
21
29
8
7
1
3
2
35
36
37
13
30
39
FIT
1:1
100%

Артикул

Название

Примечание

Количество

1

11Y-62-12160

Elbow

2

02896-11008

O-ring

3

07002-11423

O-ring

4

11Y-62-12170

Elbow

5

02896-11008

O-ring

6

07002-12034

O-ring

7

01010-81040

Bolt

8

01643-31032

Washer

9

207-62-73150

Tube

10

07000-13048

O-ring

11

01010-81455

Bolt

12

01643-31445

Washer, Flat

13

207-62-73190

Tube

14

07000-13035

O-ring

15

07372-21040

Bolt

16

01643-51032

Washer

17

207-62-73260

Plate

18

07000-13048

O-ring

19

01252-71225

Bolt

20

207-62-73230

Block

21

07000-13048

O-ring

22

01011-81210

Bolt

23

01643-31232

Washer

24

207-62-73180

Tube

25

07000-13035

O-ring

26

07372-21040

Bolt

27

01643-51032

Washer

28

207-62-73290

Hose

29

07000-13032

O-ring

30

07371-31049

Flange, Split

31

07372-21035

Bolt

32

01643-51032

Washer

33

207-62-73280

Hose

34

07000-13048

O-ring

35

07371-51470

Flange, Split

36

01010-81455

Bolt

37

01643-31445

Washer, Flat

38

207-62-73380

Hose

39

08034-20536

Band

Выбрано товаров: 39