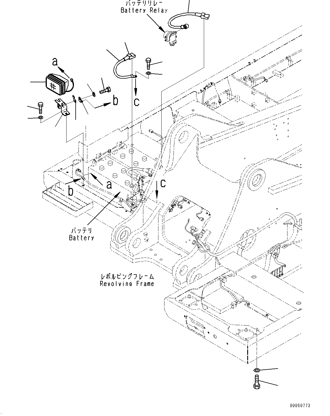
Запчасти Komatsu PC350LC-8 ЭЛЕКТРИЧ. ПРОВОДКА, ЛАМПА РАБОЧ. ОСВЕЩЕНИЯ (№-) ЭЛЕКТРИЧ. ПРОВОДКА, ДЛЯ АВСТРАЛИИ

Схема запчастей Komatsu PC350LC-8 - ЭЛЕКТРИЧ. ПРОВОДКА, ЛАМПА РАБОЧ. ОСВЕЩЕНИЯ (№-) ЭЛЕКТРИЧ. ПРОВОДКА, ДЛЯ АВСТРАЛИИ
12
13
7
10
11
8
9
6
4
5
2
1
3
15
14
FIT
1:1
100%

Артикул

Название

Примечание

Количество

1

08028-44040

Cable, Ground

2

08038-22511

Cap

3

08038-42511

Cap

4

01010-81025

Bolt

5

01643-31032

Washer

6

21T-06-32810

Working Lamp Assembly

6

421-06-23330

Bulb, 70watt

7

20Y-06-31680

Bracket

8

01010-81230

Bolt

9

01643-31232

Washer

10

01010-81220

Bolt

11

01643-31232

Washer

12

08057-12012

Clip

13

08193-20012

Clip

14

01010-81016

Bolt

15

01643-31032

Washer

Выбрано товаров: 16