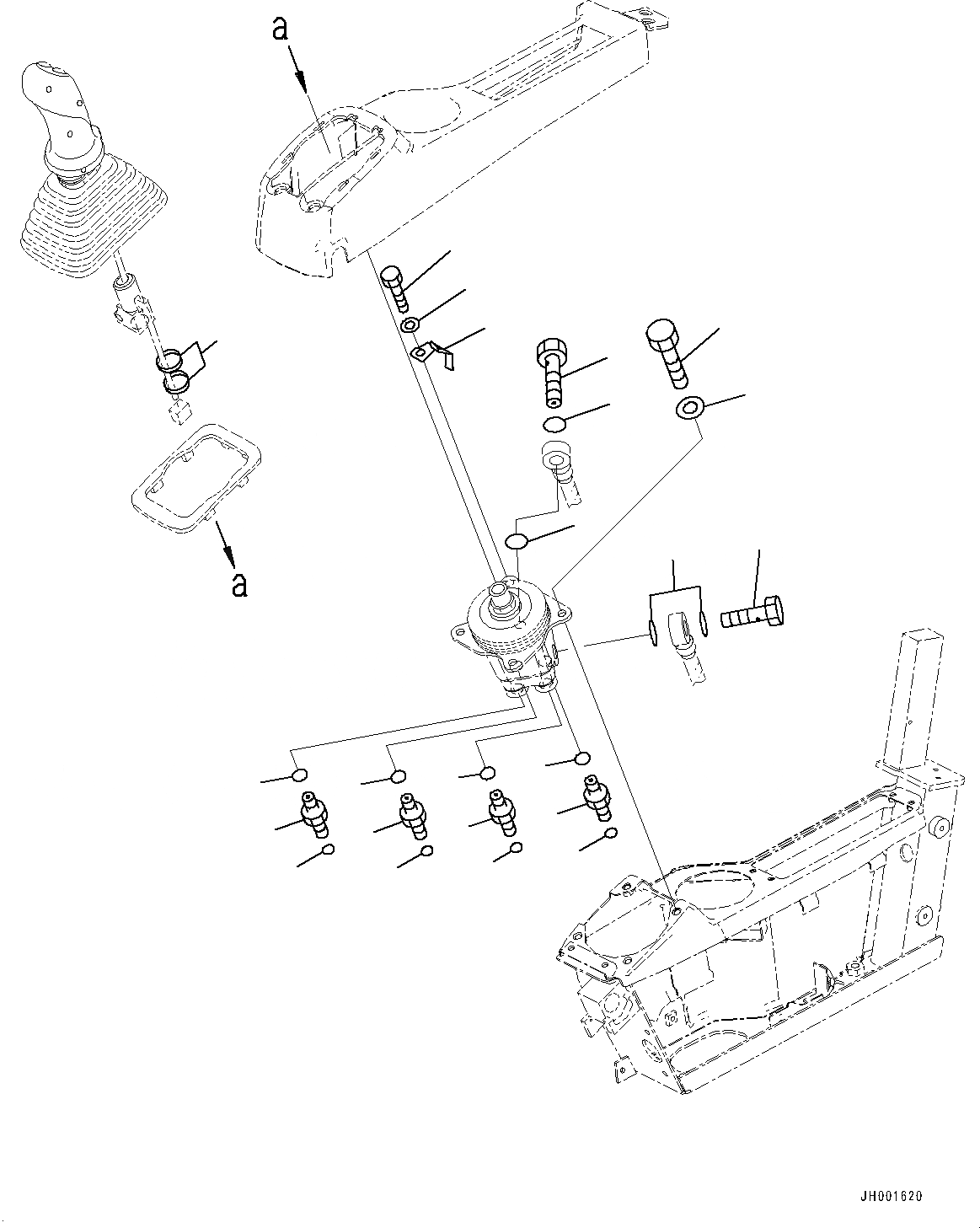
Запчасти Komatsu PC350LC-8 КАБИНА, ПОЛ, РЫЧАГ, ПРАВ. (/) (№-) КАБИНА, ДЛЯ СТРАН ЕС

Схема запчастей Komatsu PC350LC-8 - КАБИНА, ПОЛ, РЫЧАГ, ПРАВ. (/) (№-) КАБИНА, ДЛЯ СТРАН ЕС
9
9
10
11
10
11
9
9
10
11
10
11
4
2
3
1
6
6
5
3
4
7
8
FIT
1:1
100%

Артикул

Название

Примечание

Количество

1

20Y-53-K1230

Bracket

2

08034-20414

Band

3

01010-80820

Bolt

4

01643-30823

Washer

5

20Y-62-18910

Plug

6

07000-12018

O-ring

7

20Y-62-18890

Bolt, Joint

8

07000-12015

O-ring

9

11Y-62-12520

Union

10

02896-11009

O-ring

11

07002-11423

O-ring

Выбрано товаров: 11