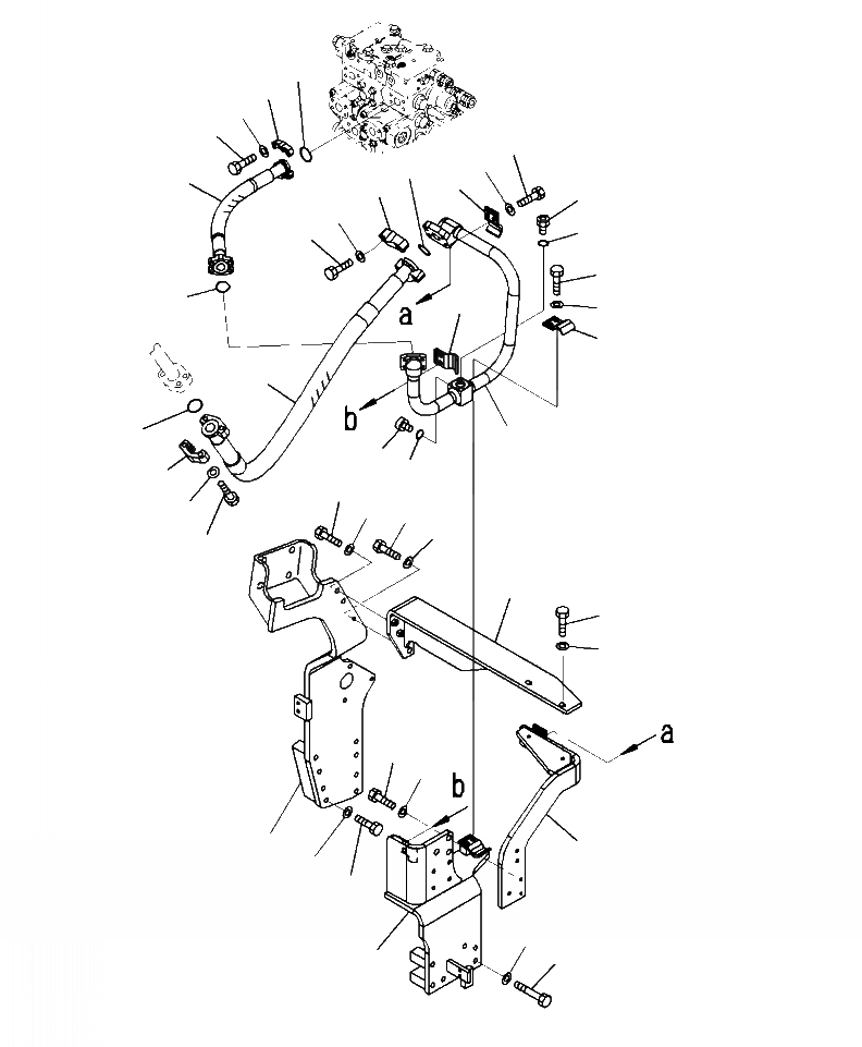
Запчасти Komatsu PC350LC-8 H7-A НАВЕСНОЕ ОБОРУД-Е ОСНОВН. ЛИНИЯ, ЛЕВ. (-АКТУАТОР) ГИДРАВЛИКА

Схема запчастей Komatsu PC350LC-8 - H7-A НАВЕСНОЕ ОБОРУД-Е ОСНОВН. ЛИНИЯ, ЛЕВ. (-АКТУАТОР) ГИДРАВЛИКА
23
24
26
25
13
14
28
22
12
29
10
31
30
11
13
12
23
14
12
27
7
28
8
9
29
18
19
20
31
21
30
15
16
17
5
6
4
32
34
33
3
2
1
FIT
1:1
100%

Артикул

Название

Примечание

Количество

1

207-62-73112

BRACKET

2

01011-81200

BOLT

3

01643-31232

WASHER

4

207-62-73131

BRACKET

5

01010-81235

BOLT

6

01643-31232

WASHER

7

207-62-73120

TUBE

8

07040-11007

PLUG

9

07002-11023

O-RING

10

07040-12412

PLUG

11

07002-12434

O-RING

12

207-62-31330

CLAMP

13

01010-81235

BOLT

14

01643-31232

WASHER

15

207-62-73621

BRACKET

16

01010-81240

BOLT

17

01643-31232

WASHER

18

01010-81245

BOLT

19

01643-31232

WASHER

20

01010-81235

BOLT

21

01643-31232

WASHER

22

207-62-73340

HOSE, 625 MM

23

07000-13032

O-RING

24

07371-31049

FLANGE

25

07372-21035

BOLT

26

01643-51032

WASHER

27

207-62-73390

HOSE

28

07000-13038

O-RING

29

07371-51260

FLANGE

30

01010-81245

BOLT

31

01643-31232

WASHER

33

01011-81200

BOLT

34

01643-31232

WASHER

Выбрано товаров: 0