Качественные детали и логистика
Оригинальные и аналоговые запчасти с доставкой по России, Казахстану и Беларуси
©2022 PartSell ООО "Система" ИНН 2463123282 ОГРН 1212400004838
Центральный офис: г. Красноярск, Академика Киренского, д.87, пом.4
Телефон: 8 (800) 777-65-74 Email: zakaz@partsell.ru
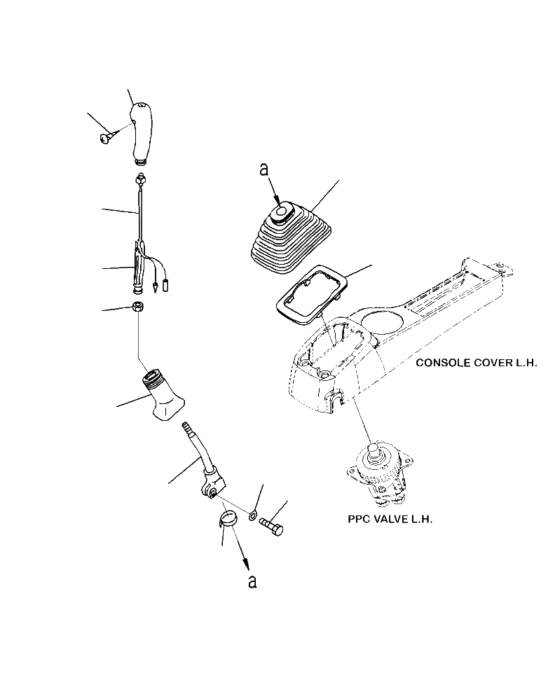
K-9A КАБИНА РЫЧАГ, ЛЕВ.
№
Артикул
Название
Примечание
Количество
1
20Y-43-22211
LEVER
|$1
22U-43-21182
KNOB
2
NSS
SCREW
3
20Y-43-22381
4
20Y-43-22421
INSERT
5
22U-43-21211
SWITCH, POWER MAX
6
20Y-43-22250
PLATE
7
20Y-43-22261
BOOT
8
20Y-43-22370
9
600-411-1280
NUT
10
01252-41025
BOLT
11
01643-51032
WASHER
12
08034-20536
STRAP, TIE
Выбрано товаров: 0