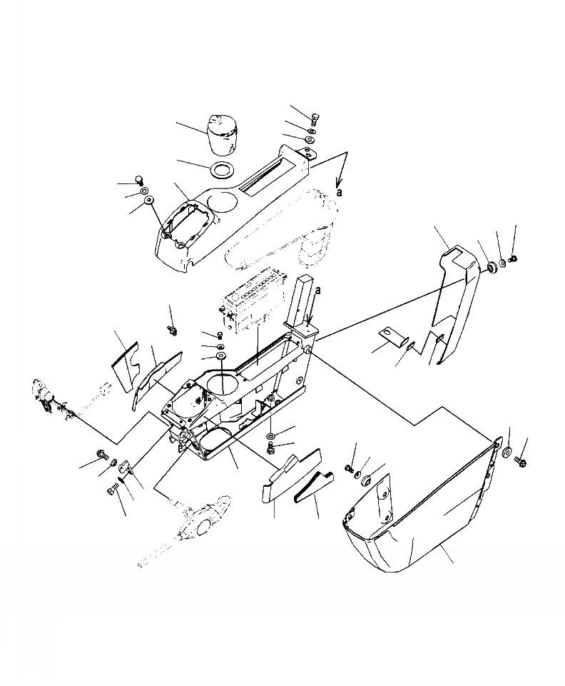
Запчасти Komatsu PC350LC-8 K-A КАБИНА КОНСОЛЬ, ЛЕВ. OPERATOR\XD S ОБСТАНОВКА И СИСТЕМА УПРАВЛЕНИЯ

Схема запчастей Komatsu PC350LC-8 - K-A КАБИНА КОНСОЛЬ, ЛЕВ. OPERATOR\XD S ОБСТАНОВКА И СИСТЕМА УПРАВЛЕНИЯ
14
15
29
16
28
9
14
15
24
22
16
25
26
27
7
12
10
13
30
16
23
31
21
3
20
18
2
19
21
20
1
21
4
6
5
11
8
17
FIT
1:1
100%

Артикул

Название

Примечание

Количество

1

20Y-43-41416

FRAME

2

01010-81030

BOLT

3

01643-31032

WASHER

4

20Y-43-41472

BRACKET

5

01010-80616

BOLT

6

01643-30623

WASHER

7

20Y-43-41621

SHEET

8

20Y-43-41641

SHEET

9

20Y-43-41423

COVER

10

20Y-43-41651

SHEET

11

20Y-43-41661

SHEET

12

01245-00616

SCREW

13

01643-70623

WASHER

14

01010-80616

BOLT

15

01643-30623

WASHER

16

20Y-43-41290

COLLAR

17

20Y-43-41442

COVER

18

01245-00616

SCREW

19

01643-70623

WASHER

20

01435-00612

BOLT

21

20Y-43-41290

COLLAR

|$21

20Y-43-42450

COVER

22

NSS

COVER

23

20Y-43-42170

TAPE

24

01245-00616

SCREW

25

01643-70623

WASHER

26

20Y-43-41290

COLLAR

27

22U-43-23260

CLIP

28

20Y-43-41970

SHEET

29

20Y-43-41491

ASHTRAY

30

20Y-43-41981

BRACKET

31

20Y-43-42180

TAPE

Выбрано товаров: 32