Качественные детали и логистика
Оригинальные и аналоговые запчасти с доставкой по России, Казахстану и Беларуси
©2022 PartSell ООО "Система" ИНН 2463123282 ОГРН 1212400004838
Центральный офис: г. Красноярск, Академика Киренского, д.87, пом.4
Телефон: 8 (800) 777-65-74 Email: zakaz@partsell.ru
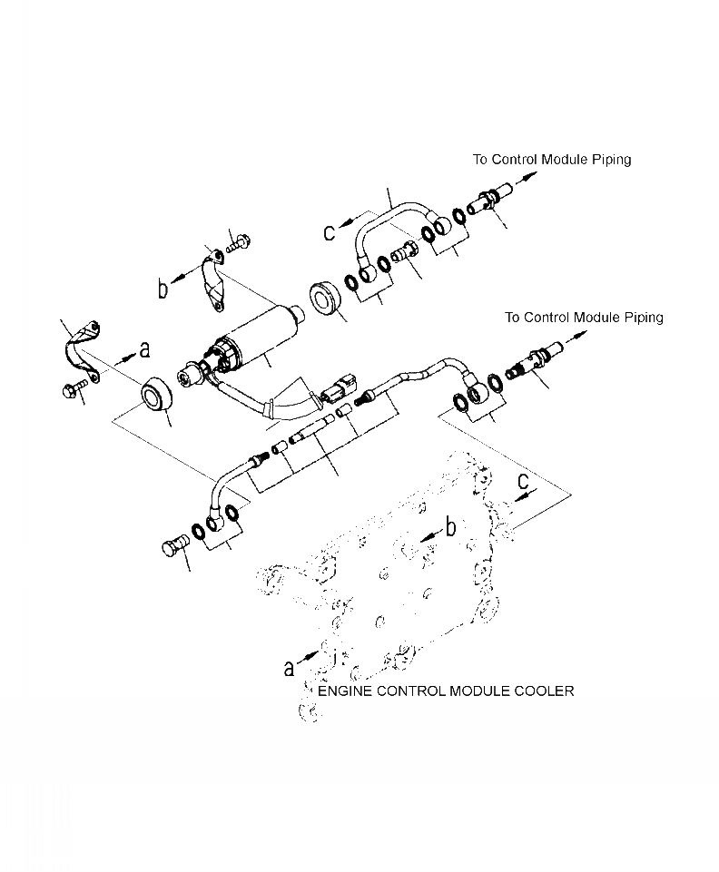
A-AA ТОПЛИВН. ПЕРЕДАЧА НАСОС
№
Артикул
Название
Примечание
Количество
1
6745-71-5311
TUBE ASSEMBLY, FUEL SUPPLY
2
6732-71-6510
BOLT (M12-1.50x24)
3
6745-71-5860
WASHER, SEALING
4
6745-71-1130
5
6745-71-5391
VALVE, CHECK
6
6745-71-5410
TUBE, FUEL SUPPLY
7
6745-71-5430
CONNECTION, ADAPTER
8
6745-71-1830
ISOLATOR, VIBRATION
9
1317 797 H91
PUMP, FUEL TRANSFER
10
6732-21-4180
BOLT (M6-1.00x16)
11
6745-71-1860
BRACKET, TRANSFER PUMP
12
6745-71-1850
COVER
13
08034-20519
BAND
Выбрано товаров: 0