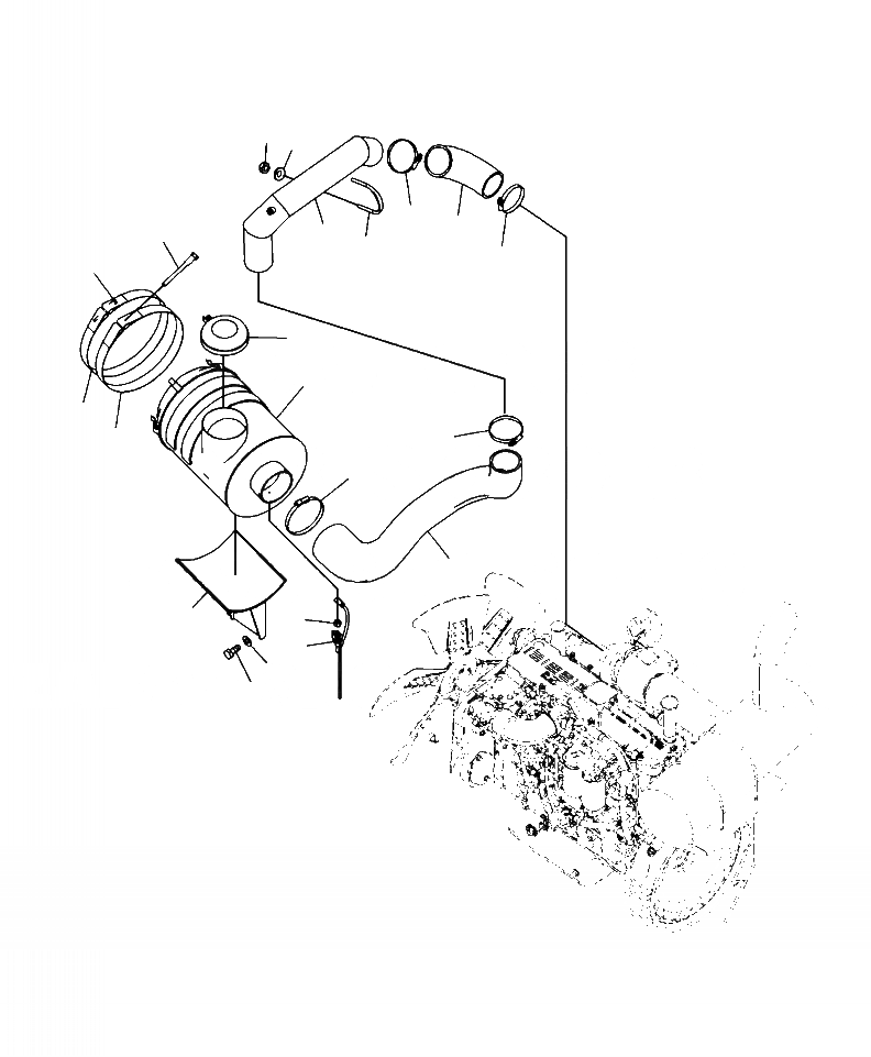
Запчасти Komatsu PC350LC-8 B-A ВОЗДУХООЧИСТИТЕЛЬ СОЕДИН-Е КОМПОНЕНТЫ ДВИГАТЕЛЯ

Схема запчастей Komatsu PC350LC-8 - B-A ВОЗДУХООЧИСТИТЕЛЬ СОЕДИН-Е КОМПОНЕНТЫ ДВИГАТЕЛЯ
15
16
18
17
5
13
14
19
5
2
1
4
10
4
9
8
6
7
3
12
11
FIT
1:1
100%

Артикул

Название

Примечание

Количество

2

6128-81-7420

SCREEN

3

20Y-06-42910

SENSOR

4

6151-11-9970

BAND ASSEMBLY

5

6643-11-4641

BOLT

6

207-01-75160

BRACKET

7

11Y-01-11920

JOINT

8

207-01-75170

HOSE

9

208-01-72180

CLAMP

10

07299-00130

CLAMP

11

01010-81225

BOLT

12

01643-31232

WASHER

13

207-01-75180

TUBE

14

07283-31185

U-BOLT

15

01597-01211

NUT

16

01643-31232

WASHER

17

207-01-75190

HOSE

18

07299-00130

CLAMP

19

07299-00120

CLAMP

Выбрано товаров: 18