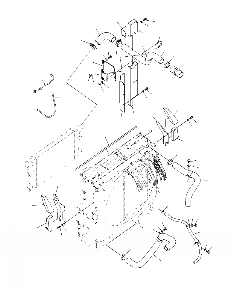
Запчасти Komatsu PC350LC-8 C-A ОХЛАЖД-Е СИСТЕМА ТРУБ РАДИАТОРА СИСТЕМА ОХЛАЖДЕНИЯ

Схема запчастей Komatsu PC350LC-8 - C-A ОХЛАЖД-Е СИСТЕМА ТРУБ РАДИАТОРА СИСТЕМА ОХЛАЖДЕНИЯ
23
25
46
26
39
24
47
39
42
38
43
45
47
44
37
17
40
41
40
29
41
16
30
20
18
28
27
21
22
36
19
7
9
10
6
31
8
5
33
4
3
2
14
15
13
32
1
35
34
4
3
12
2
11
FIT
1:1
100%

Артикул

Название

Примечание

Количество

1

208-03-72151

HOSE

2

04434-53212

CLIP

3

01010-81220

BOLT

4

01643-31232

WASHER

5

07281-00359

CLAMP

6

207-03-75640

HOSE

7

07289-00070

CLAMP

8

207-03-51530

CLIP

9

01010-81230

BOLT

10

01643-31232

WASHER

11

207-03-75311

HOSE

12

07289-00070

CLAMP

13

207-03-51530

CLIP

14

01010-81230

BOLT

15

01643-31232

WASHER

16

21M-03-15260

HOSE

16

20Y-03-31470

HOSE

17

206-03-43340

CLIP

18

207-03-75360

COVER

19

207-03-75410

SEAL

20

207-03-75460

SEAL

21

01010-81225

BOLT

22

01643-31232

WASHER

23

207-03-75371

COVER

24

207-03-75431

SEAL

25

01010-81225

BOLT

26

01643-31232

WASHER

27

207-03-75381

COVER

28

207-03-75441

SEAL

29

01010-81225

BOLT

30

01643-31232

WASHER

31

207-03-75351

COVER

32

207-03-75391

SEAL

33

207-03-75450

SEAL

34

01010-81225

BOLT

35

01643-31232

WASHER

36

208-03-71410

SEAL

37

207-01-75220

BRACKET

38

207-01-75231

TUBE

39

07283-37663

U-BOLT

40

01643-31032

WASHER

41

01597-01009

NUT

42

01010-81235

BOLT

43

01643-31232

WASHER

44

6152-12-4420

HOSE

45

07299-00080

CLAMP

46

207-01-75270

HOSE

47

207-01-75340

CLAMP

Выбрано товаров: 48