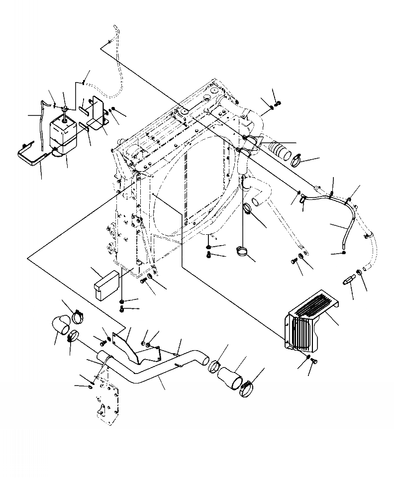
Запчасти Komatsu PC350LC-8 C-A ОХЛАЖД-Е ВОЗД. ЛИНИЯ ОХЛАЖДЕНИЯ И SUB-БАК СИСТЕМА ОХЛАЖДЕНИЯ

Схема запчастей Komatsu PC350LC-8 - C-A ОХЛАЖД-Е ВОЗД. ЛИНИЯ ОХЛАЖДЕНИЯ И SUB-БАК СИСТЕМА ОХЛАЖДЕНИЯ
37
38
39
32
31
32
29
33
34
35
36
30
40
27
23
27
20
27
19
27
24
25
24
26
18
3
4
1
2
1
2
3
4
15
16
17
28
7
6
7
8
9
10
5
8
9
10
11
12
13
14
21
22
FIT
1:1
100%

Артикул

Название

Примечание

Количество

1

01010-81640

BOLT

2

01643-31645

WASHER

3

01010-81640

BOLT

4

21T-54-16150

WASHER

5

207-01-75241

TUBE

6

207-01-75250

HOSE

7

207-01-75340

CLAMP

8

07283-37663

CLIP

9

01643-31032

WASHER

10

01597-01009

NUT

11

207-01-75210

BRACKET

12

01010-81230

BOLT

13

01643-31232

WASHER

14

207-03-76440

CLAMP

15

207-03-75511

GUARD

16

01010-81225

BOLT

17

01643-31232

WASHER

18

207-03-75330

NIPPLE

19

09483-10309

HOSE

20

11Y-09-11140

CLIP

21

207-03-76430

HOSE

22

14X-01-35570

CLAMP

23

07299-00080

CLAMP

24

07289-00070

CLAMP

25

07281-00359

CLAMP

26

11Y-09-11140

CLIP

27

134-03-61410

BAND

28

207-46-77340

SEAL

29

419-03-21320

TANK RESERVIOR

30

421-03-22170

CAP

31

207-03-75620

BRACKET

32

205-03-71440

SHEET

33

207-03-75630

BAND

34

01643-30823

WASHER

35

01580-10806

NUT

36

208-03-58310

HOSE, 600 MM

37

206-03-43340

CLIP

38

01010-81230

BOLT

39

01643-31232

WASHER

40

206-03-43340

CLIP

Выбрано товаров: 0