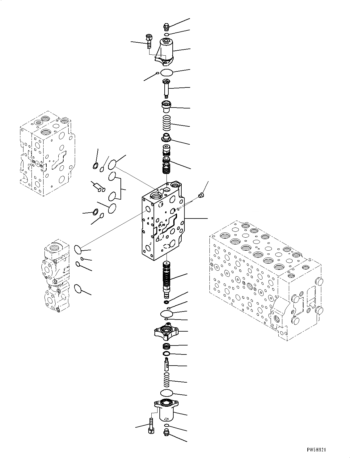
Запчасти Komatsu PC350LC-8 ОСНОВН. УПРАВЛЯЮЩ. КЛАПАН, -АКТУАТОР ВНУТР. ЧАСТИ (/) ОСНОВН. УПРАВЛЯЮЩ. КЛАПАН, -АКТУАТОР

Схема запчастей Komatsu PC350LC-8 - ОСНОВН. УПРАВЛЯЮЩ. КЛАПАН, -АКТУАТОР ВНУТР. ЧАСТИ (/) ОСНОВН. УПРАВЛЯЮЩ. КЛАПАН, -АКТУАТОР
25
25
24
28
27
28
1
26
26
23
27
30
29
10
14
27
21
16
12
13
11
15
21
17
20
19
18
18
22
19
20
7
8
3
5
6
4
2
18
9
FIT
1:1
100%

Артикул

Название

Примечание

Количество

|1

723-48-26601

Valve Assembly, Control

|1

723-48-26600

Valve Assembly, Control

3

723-46-15390

Plug

4

723-46-15370

Retainer

5

723-46-15380

Retainer

6

723-46-14110

Spring

7

723-46-17840

Case

8

07430-71380

O-ring

9

01252-60820

Bolt

11

723-46-15330

Bolt

15

723-46-14180

Spring

16

723-46-17850

Case

17

723-46-17860

Case

18

723-11-19960

O-ring

19

706-73-71450

Plug

20

07002-11423

O-ring

21

07430-71380

O-ring

22

01252-60845

Bolt, Hexagon Socket Head

24

723-46-17530

O-ring

25

723-11-19130

O-ring

26

723-46-17520

Ring, Back-up

27

07000-13032

O-ring

28

723-46-17510

O-ring

29

07000-12016

O-ring

30

702-16-53920

O-ring

Выбрано товаров: 25