Запчасти Komatsu PC350LC-8 УПРАВЛЯЮЩ. КЛАПАН, БЕЗ -ДОПОЛН. АКТУАТОР ТРУБЫ, 7-СЕКЦИОНН., ВНУТР. ЧАСТИ (/) ОСНОВН. УПРАВЛЯЮЩ. КЛАПАН, -АКТУАТОР, ТРУБЫ LESS

Схема запчастей Komatsu PC350LC-8 - УПРАВЛЯЮЩ. КЛАПАН, БЕЗ -ДОПОЛН. АКТУАТОР ТРУБЫ, 7-СЕКЦИОНН., ВНУТР. ЧАСТИ (/) ОСНОВН. УПРАВЛЯЮЩ. КЛАПАН, -АКТУАТОР, ТРУБЫ LESS
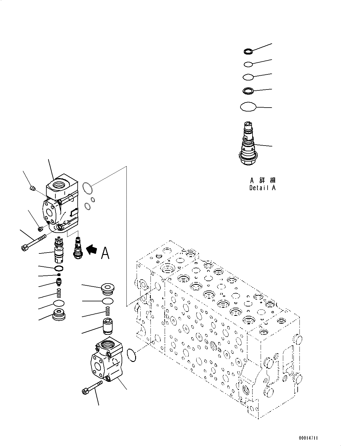
7
15
15
22
8
12
11
10
9
14
13
2
6
1
3
5
4
16
21
18
17
19
20
FIT
1:1
100%

Артикул

Название

Примечание

Количество

|1

723-47-26600

Valve Assembly, Control

|1

723-40-84100

Valve Assembly

3

723-40-82140

Spring

4

723-40-84130

Plug

5

07002-13034

O-ring

6

01252-61065

Bolt, Hexagon Socket Head

|7

723-40-84200

Valve Assembly

9

723-40-82140

Spring

10

723-40-84230

Plug

11

723-40-82220

Filter

12

723-46-15350

Seal

13

723-40-84130

Plug

14

07002-13034

O-ring

15

708-21-12541

Plug

16

723-40-92900

Valve Assembly

17

07000-12012

O-ring

18

07001-02012

Ring, Back-up

19

07000-11010

O-ring

20

07001-01010

Ring, Back-up

21

07002-12034

O-ring

22

723-46-18770

Bolt

Выбрано товаров: 0