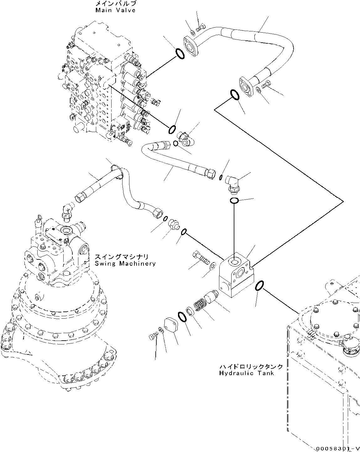
Запчасти Komatsu PC350LC-8 ВОЗВРАТ. ТРУБЫ (№B7-) ВОЗВРАТ. ТРУБЫ

Схема запчастей Komatsu PC350LC-8 - ВОЗВРАТ. ТРУБЫ (№B7-) ВОЗВРАТ. ТРУБЫ
1
3
4
2
2
4
3
11
12
12
11
13
13
14
22
15
16
17
19
18
21
20
23
24
9
7
8
10
6
5
FIT
1:1
100%

Артикул

Название

Примечание

Количество

1

207-62-74670

Hose

2

07000-13048

O-ring

3

01010-81240

Bolt

4

01643-31232

Washer

5

207-62-74781

Hose

6

08034-20536

Band

7

20U-62-41810

Nipple

8

207-62-64740

O-ring

9

07002-12434

O-ring

10

207-62-74681

Hose

11

21W-62-42640

Elbow

12

207-62-64740

O-ring

13

07002-13334

O-ring

14

208-62-71410

Block

15

207-60-75160

Valve

16

706-76-71190

Spring

17

207-60-51170

Spacer

18

207-62-75250

Flange

19

07000-12060

O-ring

20

01010-81235

Bolt

21

01643-31232

Washer

22

07000-12060

O-ring

23

01010-81290

Bolt

24

01643-31232

Washer

Выбрано товаров: 0