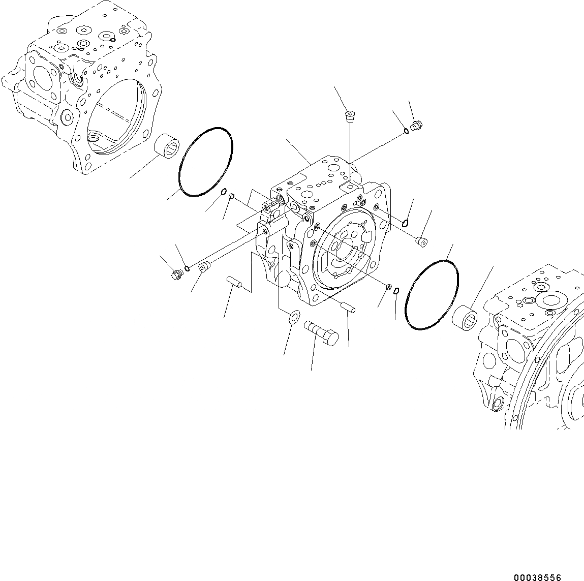
Запчасти Komatsu PC350LC-8 ОСНОВН. ПОРШЕНЬ НАСОС ВНУТР. ЧАСТИ (/) (№B-B) ОСНОВН. ПОРШЕНЬ НАСОС

Схема запчастей Komatsu PC350LC-8 - ОСНОВН. ПОРШЕНЬ НАСОС ВНУТР. ЧАСТИ (/) (№B-B) ОСНОВН. ПОРШЕНЬ НАСОС
10
9
10
9
6
1
12
5
5
2
2
4
3
4
2
3
11
7
8
11
12
FIT
1:1
100%

Артикул

Название

Примечание

Количество

|1

708-2G-00700

Pump Assembly

|1

708-2G-01073

Pump Subassembly

|1

708-2G-04430

Cap Assembly

3

708-2G-12151

Bearing

4

07000-A5185

O-ring

5

04020-01434

Pin, Dowel

6

07000-B2012

O-ring

7

01010-61655

Bolt

8

01643-51645

Washer

9

07000-B2014

O-ring

10

708-2L-25480

Filter

11

708-8E-16150

Plug

12

07002-61023

O-ring

Выбрано товаров: 13