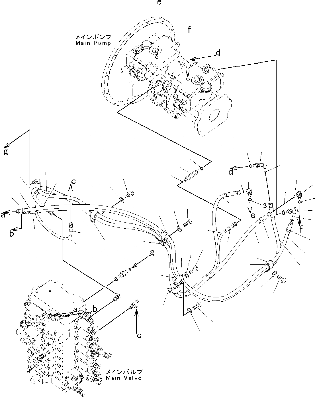
Запчасти Komatsu PC350LC-8 LS ТРУБЫ (№B7-) LS ТРУБЫ

Схема запчастей Komatsu PC350LC-8 - LS ТРУБЫ (№B7-) LS ТРУБЫ
22
21
14
13
10
10
11
23
24
16
18
20
23
25
20
15
19
10
18
17
22
21
8
7
9
22
21
12
24
14
13
15
17
19
1
3
4
5
6
2
5
4
6
2
1
16
10
11
FIT
1:1
100%

Артикул

Название

Примечание

Количество

1

11Y-62-12160

Elbow

2

02896-11008

O-ring

3

07002-11423

O-ring

4

11Y-62-12370

Elbow

5

02896-11008

O-ring

6

07002-11423

O-ring

7

207-62-71531

Union

8

02896-11008

O-ring

9

07002-11423

O-ring

10

207-62-74850

Hose

11

20Y-62-22790

Band, Red

12

04435-51812

Clip

13

01010-81220

Bolt

14

01643-31232

Washer

15

02760-00227

Hose, Face Seal Type

16

207-62-74860

Hose

17

207-62-74870

Hose

18

20Y-62-22790

Band, Red

19

20Y-62-22810

Band, Yellow

20

113-899-7950

Clip

21

01010-81225

Bolt

22

01643-31232

Washer

23

198-06-53630

Cushion

24

04435-52112

Clip

25

20Y-62-15951

CLIP

Выбрано товаров: 25