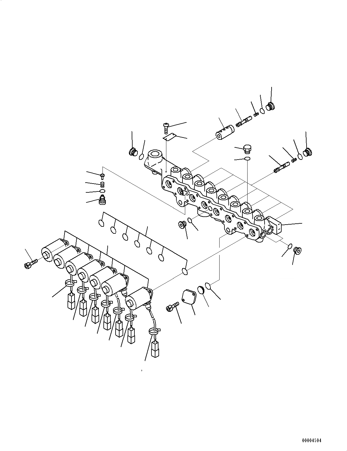
Запчасти Komatsu PC350LC-8 СОЛЕНОИДНЫЙ КЛАПАН ТРУБЫ, СОЛЕНОИДНЫЙ КЛАПАН (/) (№B7-) СОЛЕНОИДНЫЙ КЛАПАН ТРУБЫ

Схема запчастей Komatsu PC350LC-8 - СОЛЕНОИДНЫЙ КЛАПАН ТРУБЫ, СОЛЕНОИДНЫЙ КЛАПАН (/) (№B7-) СОЛЕНОИДНЫЙ КЛАПАН ТРУБЫ
25
24
3
28
28
22
25
24
3
2
1
17
4
19
20
30
29
23
26
18
21
19
4
17
13
14
15
16
22
5
12
11
10
9
8
8
6
17
4
FIT
1:1
100%

Артикул

Название

Примечание

Количество

|1

207-62-71311

Valve Assembly

2

20Y-60-32121

Solenoid Assembly

3

20Y-60-31240

O-ring

4

20Y-60-31250

O-ring

5

NY07207-11700

Tube

6

NY07529-10200

Tube

7

NY07529-10300

Tube

8

NY07529-10400

Tube

9

NY07529-10500

Tube

10

NY07529-10600

Tube

11

NY07505-11800

Tube

12

NY89103-00090

Band

13

NY05062-1170A

Plunger

14

NY05062-11800

Spring

15

NY86711-01010

O-ring

16

NY06277-1320A

Plug

17

NY80000-02200

Plug

18

NY16207-10200

Sleeve

19

NY06339-10200

Spring

20

NY07493-10200

Spool

21

NY16207-10300

Spool

22

NY81446-05012

Bolt

23

NY09000-11400

Plate

24

NY80000-02100

Plug

25

07000-11008

O-ring

26

NY84110-00248

Screw

27

NY07926-10100

Plate

28

NY01720-10600

Stopper

29

07002-11423

O-ring

30

07040-11409

Plug

Выбрано товаров: 30