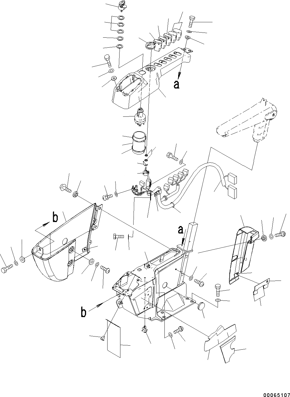
Запчасти Komatsu PC350LC-8 КАБИНА, EOPS КАБИНА ПЕРЕДН. FIX, С AM-FM РАДИО, С МАСТЕР КЛЮЧ, ДЛЯ KOMTRAX, ПОЛ, КОНСОЛЬ, RHS (№B7-) КАБИНА, EOPS КАБИНА ПЕРЕДН. FIX, С AM-FM РАДИО, С МАСТЕР КЛЮЧ, ДЛЯ KOMTRAX

Схема запчастей Komatsu PC350LC-8 - КАБИНА, EOPS КАБИНА ПЕРЕДН. FIX, С AM-FM РАДИО, С МАСТЕР КЛЮЧ, ДЛЯ KOMTRAX, ПОЛ, КОНСОЛЬ, RHS (№B7-) КАБИНА, EOPS КАБИНА ПЕРЕДН. FIX, С AM-FM РАДИО, С МАСТЕР КЛЮЧ, ДЛЯ KOMTRAX
23
22
24
20
28
21
29
43
53
48
37
36
46
51
45
36
52
50
49
35
30
34
35
42
41
39
40
38
33
31
32
30
9
10
11
11
10
7
9
44
2
26
3
25
27
6
5
47
26
25
1
12
19
17
16
19
15
14
19
18
13
4
8
FIT
1:1
100%

Артикул

Название

Примечание

Количество

1

20Y-43-41314

Frame

2

01010-D1230

Bolt

3

01643-71232

Washer

4

20Y-43-41631

Sheet

5

22U-43-23251

Sheet

6

22U-43-23290

Clip

7

20Y-43-41323

Cover

8

20Y-43-41661

Sheet

9

01010-80616

Bolt

10

01643-30623

Washer

11

20Y-43-41290

Collar

|12

20Y-43-42330

Cover

13

20Y-43-42170

Tape

14

01245-00616

Screw, Hexagon Socket Head

15

01643-70623

Washer

16

01010-80616

Bolt

17

01643-30623

Washer

18

01435-00612

Bolt

19

20Y-43-41290

Collar

|20

20Y-43-42350

Cover

21

20Y-43-42170

Tape

22

01245-00616

Screw, Hexagon Socket Head

23

01643-70623

Washer

24

20Y-43-41290

Collar

25

01245-00616

Screw, Hexagon Socket Head

26

01643-70623

Washer

27

09415-02512

Cap

28

20Y-43-41991

Bracket

29

20Y-43-42180

Tape

30

08086-20000

Switch

31

20Y-43-41740

Plate

32

20Y-43-41750

Washer

33

20Y-43-41790

Washer

34

20Y-43-41671

Sheet

35

08034-20519

Band

36

22U-06-22380

Potentiometer

37

22U-06-22460

Spring

38

20Y-43-41781

Knob

|38

20Y-43-41780

Knob

39

20Y-06-42110

Switch

40

20Y-06-42121

Switch, Light

41

21T-06-33760

Switch Assembly

42

20Y-06-42190

Cover

43

207-06-76130

Wire Harness

44

08034-20414

Band

45

01023-10508

Screw

46

01601-20513

Washer

47

22U-43-23260

Clip

48

04434-51710

Clip

49

01010-81016

Bolt

50

01643-31032

Washer

51

04434-51410

Clip

52

01010-81016

Bolt

53

01643-31032

Washer

Выбрано товаров: 54