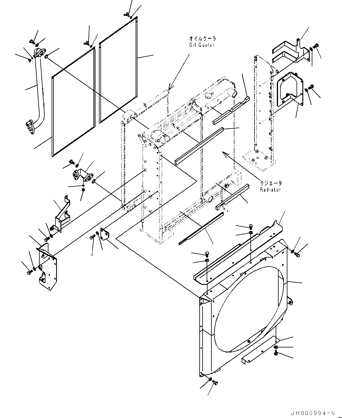
Запчасти Komatsu PC350LC-8 СИСТЕМА ОХЛАЖДЕНИЯ КОЖУХ СИСТЕМА ОХЛАЖДЕНИЯ

Схема запчастей Komatsu PC350LC-8 - СИСТЕМА ОХЛАЖДЕНИЯ КОЖУХ СИСТЕМА ОХЛАЖДЕНИЯ
8
9
18
19
17
10
11
12
22
15
16
23
13
14
38
36
37
25
26
24
31
32
30
48
49
50
45
46
7
27
29
28
35
34
33
21
20
39
41
42
43
44
40
2
3
4
47
1
5
6
FIT
1:1
100%

Артикул

Название

Примечание

Количество

1

208-03-71360

Net

2

01434-10616

Bolt, Wing

3

01643-30623

Washer

4

208-03-71370

Net

5

01434-10616

Bolt, Wing

6

01643-30623

Washer

7

207-03-75252

Cover

8

01010-81020

Bolt

9

01643-31032

Washer

10

01010-81030

Bolt

11

01643-31032

Washer

12

207-03-76371

Cover

|12

207-03-76370

Cover

13

01010-81030

Bolt

14

01643-31032

Washer

15

01010-81020

Bolt

16

01643-31032

Washer

17

207-03-75270

Cover

18

01010-81020

Bolt

19

01643-31032

Washer

20

208-03-71720

Seal

21

208-03-71741

Seal

22

208-03-71751

Seal

23

208-03-71760

Seal

24

207-03-75231

Bracket

25

01010-81030

Bolt

26

01643-31032

Washer

27

207-03-75241

Bracket

28

01010-81020

Bolt

29

01643-31032

Washer

30

207-979-7623

Bracket

31

01010-81020

Bolt

32

01643-31032

Washer

33

207-979-7631

Bracket

34

01010-81020

Bolt

35

01643-31032

Washer

36

207-03-75190

Bracket

37

01010-81225

Bolt

38

01643-31232

Washer

39

207-03-75211

Tube

40

07002-11423

O-ring

41

07040-11409

Plug

42

07000-13045

O-ring

43

01010-81235

Bolt

44

01643-31232

Washer

45

208-03-71350

Tube

46

07000-13045

O-ring

47

07040-11409

Plug

48

07002-11423

O-ring

49

01010-81235

Bolt

50

01643-31232

Washer

53

01643-31232

Washer

Выбрано товаров: 52