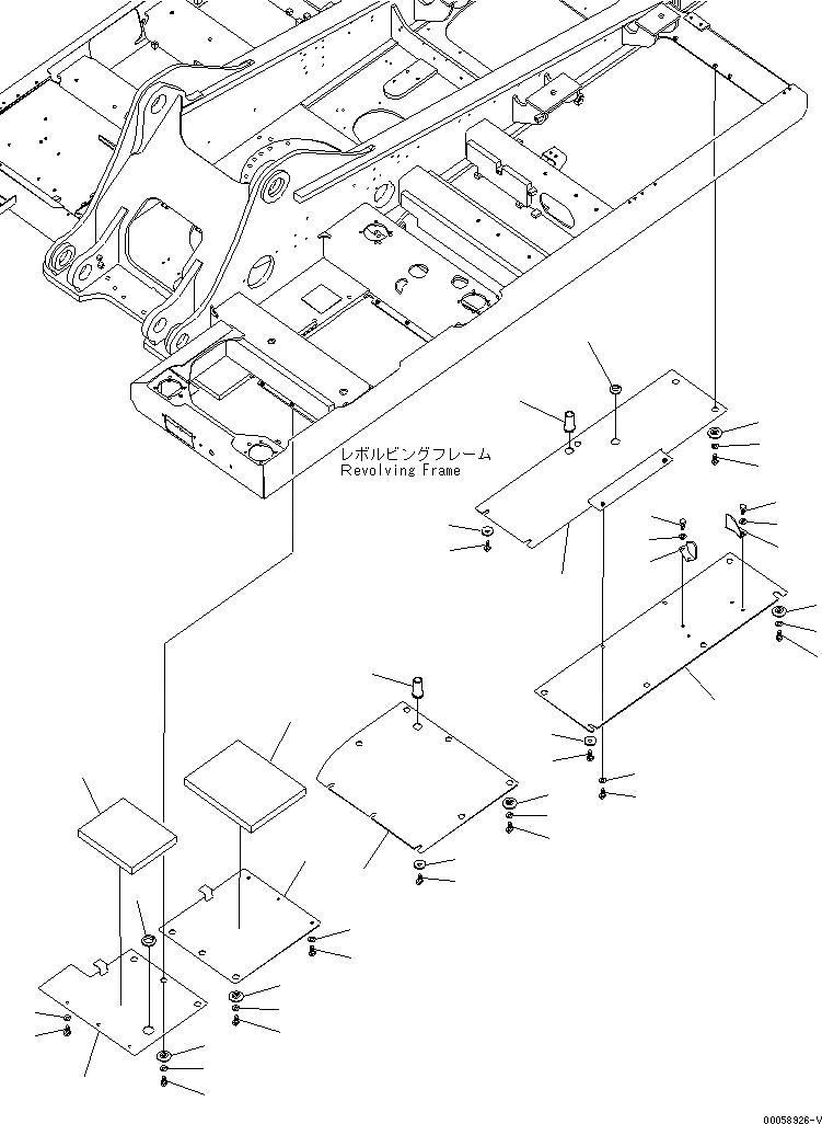
Запчасти Komatsu PC350LC-8 НИЖН. КРЫШКА (ОСНОВНАЯ РАМА) (L.H) (УСИЛ.) M ЧАСТИ КОРПУСА

Схема запчастей Komatsu PC350LC-8 - НИЖН. КРЫШКА (ОСНОВНАЯ РАМА) (L.H) (УСИЛ.) M ЧАСТИ КОРПУСА
25
24
27
40
41
39
31
33
32
21
22
20
37
38
23
26
17
19
18
16
12
11
9
10
2
3
13
15
14
6
8
7
1
4
5
34
36
35
40
41
39
28
30
29
FIT
1:1
100%

Артикул

Название

Примечание

Количество

1

208-54-78340

COVER

2

208-54-73520

SHEET

3

08037-05016

GROMMET

4

01010-81230

BOLT

5

01643-31232

WASHER

6

208-54-57180

COLLAR

7

01010-81230

BOLT

8

01643-31232

WASHER

9

207-54-78240

COVER

10

208-54-73490

SHEET

11

01010-81230

BOLT

12

01643-31232

WASHER

13

208-54-57180

COLLAR

14

01010-81230

BOLT

15

01643-31232

WASHER

16

207-54-78660

COVER

17

22U-54-24760

GROMMET

18

01010-81230

BOLT

19

175-54-34170

WASHER

20

208-54-57180

COLLAR

21

01010-81230

BOLT

22

01643-31232

WASHER

23

207-54-78750

COVER

24

22U-54-24760

GROMMET

25

08037-03614

GROMMET

26

01010-81230

BOLT

27

175-54-34170

WASHER

28

208-54-57180

COLLAR

29

01010-81230

BOLT

30

01643-31232

WASHER

31

207-54-77220

COVER

32

01010-81230

BOLT

33

01643-31232

WASHER

34

208-54-57180

COLLAR

35

01010-81230

BOLT

36

01643-31232

WASHER

37

01010-81230

BOLT

38

175-54-34170

WASHER

39

20Y-54-61670

BRACKET

40

01010-81230

BOLT

41

01643-31232

WASHER

Выбрано товаров: 41