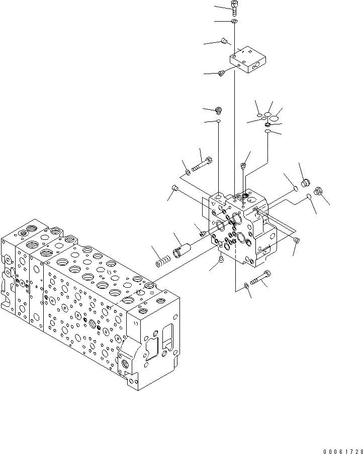
Запчасти Komatsu PC350LC-8 ОСНОВН. КЛАПАН (-АКТУАТОР) (/) Y ОСНОВН. КОМПОНЕНТЫ И РЕМКОМПЛЕКТЫ

Схема запчастей Komatsu PC350LC-8 - ОСНОВН. КЛАПАН (-АКТУАТОР) (/) Y ОСНОВН. КОМПОНЕНТЫ И РЕМКОМПЛЕКТЫ
1
2
3
4
5
6
7
8
9
10
11
12
13
14
15
16
17
17
17
17
17
17
17
18
19
20
20
FIT
1:1
100%

Артикул

Название

Примечание

Количество

|1

723-48-26701

CONTROL VALVE

|1

723-48-26700

CONTROL VALVE

1

723-40-71201

VALVE ASSEMBLY

1

723-40-71430

VALVE

2

702-21-55460

SPRING

3

702-21-55420

O-RING

4

702-21-55520

O-RING

5

702-21-55440

O-RING

6

702-21-53120

FILTER

7

07000-12011

O-RING

8

01252-61040

BOLT

9

01643-51032

WASHER

10

708-8H-11530

PLUG

11

07002-11423

O-RING

12

702-21-55620

PLUG

13

07002-11423

O-RING

14

708-8E-16160

PLUG

15

07002-11023

O-RING

16

07000-12011

O-RING

17

PLUG

18

01010-61460

BOLT

19

01010-61470

BOLT

20

01643-31445

WASHER

Выбрано товаров: 23