Запчасти Komatsu PC350LC-8 SUPER LONG FRONT НАВЕСН. ОБОРУД ГРУППА (RH)

Схема запчастей Komatsu PC350LC-8 SUPER LONG FRONT - НАВЕСН. ОБОРУД ГРУППА (RH)
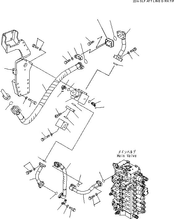
11
38
39
37
36
42
40
41
12
14
15
13
5
7
10
8
9
35
1
36
3
2
24
25
21
6
4
20
19
23
22
17
18
16
30
31
27
31
32
34
33
26
28
29
FIT
1:1
100%

Артикул

Название

Примечание

Количество

1

207-62-73141

BRACKET

2

01011-81200

BOLT (DLF)

3

01643-31232

WASHER

4

702-21-01920

VALVE A.

5

11Y-62-12160

ELBOW

6

02896-11008

O RING

7

07002-11423

O-RING

8

11Y-62-12170

ELBOW

9

02896-11008

O RING

10

07002-12034

O-RING

11

01024-81040

BOLT SEMS

12

207-62-73150

DDC TUBE

13

07000-13048

O-RING

14

01010-81455

BOLT (DLF)

15

01643-31445

WASHER

16

207-62-73190

DDC TUBE

17

07000-13035

O-RING

18

07375-21040

BOLT SEMS

19

207-62-73260

PLATE

20

07000-13048

O-RING

21

01252-71225

BOLT

22

207-62-73230

BLOCK

23

07000-13048

O-RING

24

01011-81210

BOLT (DLF)

25

01643-31232

WASHER

26

207-62-73180

DDC TUBE

27

07000-13035

O-RING

28

07375-21040

BOLT SEMS

29

01643-51032

WASHER

30

207-62-73290

HOSE

31

07000-13032

O-RING

32

07371-31049

FLANGE (DLF)

33

07372-21035

BOLT

34

01643-51032

WASHER

35

07099-01018

HOSE

36

07000-13032

O-RING

37

07371-31049

FLANGE (DLF)

38

07372-21035

BOLT

39

01643-51032

WASHER

40

207-970-KC60

FLANGE

41

07000-13048

O-RING

42

01252-71240

BOLT

Выбрано товаров: 42