Запчасти Komatsu PC350LC-8M0 КАБИНА, ПОЛ, PPC РЫЧАГ БЛОКИРОВКИ И РАДИО (№8-) КАБИНА, ПРАВ. И ЗАДН. ФИКС. ОКНА, С KOMTRAX

Схема запчастей Komatsu PC350LC-8M0 - КАБИНА, ПОЛ, PPC РЫЧАГ БЛОКИРОВКИ И РАДИО (№8-) КАБИНА, ПРАВ. И ЗАДН. ФИКС. ОКНА, С KOMTRAX
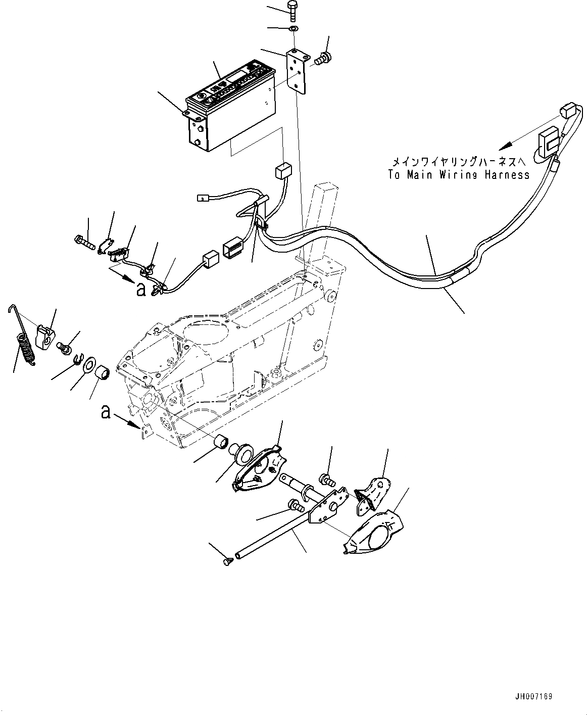
4
23
22
24
24
25
1
2
8
7
6
3
5
2
21
21
19
20
18
17
16
11
10
13
9
14
9
15
12
FIT
1:1
100%

Артикул

Название

Примечание

Количество

1

2A5-06-11932

Radio

2

20Y-43-42130

Plate

3

01023-60510

Screw

4

01010-80616

Bolt

5

01643-30623

Washer

6

08912-51600

Cord

7

20Y-06-16910

Wiring Harness

8

08034-20414

Band

9

01023-60410

Screw

10

08037-11425

Grommet

11

208-53-12280

Cap

12

20Y-43-31513

Lever

13

20Y-43-31522

Cover

14

20Y-43-31611

Knob

15

20Y-43-31621

Cover

16

20Y-43-31432

Cam

17

01252-70816

Bolt

18

20Y-43-31421

Spring

19

20Y-43-31440

Ring

20

20Y-43-31450

Plate

21

06124-01616

Bearing

22

22U-06-22490

Plate

23

22U-06-22360

Switch Assembly

24

22U-43-23260

Clip

25

01023-60320

Screw

Выбрано товаров: 0