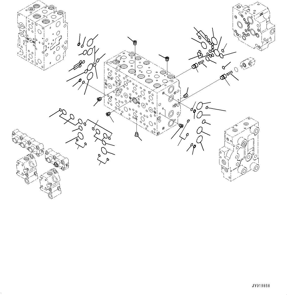
Запчасти Komatsu PC350LC-8M0 УПРАВЛЯЮЩ. КЛАПАН, 8-СЕКЦИОНН. (/) (№8-) УПРАВЛЯЮЩ. КЛАПАН, С -СЕРВИСНЫЙ КЛАПАН

Схема запчастей Komatsu PC350LC-8M0 - УПРАВЛЯЮЩ. КЛАПАН, 8-СЕКЦИОНН. (/) (№8-) УПРАВЛЯЮЩ. КЛАПАН, С -СЕРВИСНЫЙ КЛАПАН
2
4
6
7
9
10
1
4
6
8
15
3
5
7
1
3
2
6
7
3
1
6
11
15
11
6
16
12
14
1
4
5
6
4
2
15
15
6
17
7
15
15
2
9
16
9
3
17
15
1
1
13
13
FIT
1:1
100%

Артикул

Название

Примечание

Количество

|$0

723-48-25600

Valve, Control

|$1

Body Subassembly

1

07000-12012

O-ring

2

723-11-19130

O-ring

3

723-46-17520

Ring, Back-up

4

07000-12021

O-ring

5

07000-13028

O-ring

6

07000-13032

O-ring

7

723-46-17510

O-ring

8

07000-13036

O-ring

9

723-46-17530

O-ring

10

723-11-18150

O-ring

11

702-16-53920

O-ring

12

723-46-18710

O-ring

13

722-12-19070

O-ring

14

723-46-18720

O-ring

15

Plug

16

723-46-17650

Valve

17

723-46-14150

Spring

Выбрано товаров: 19