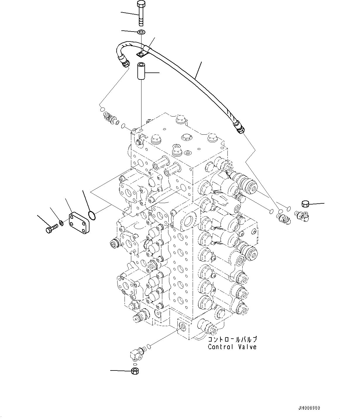
Запчасти Komatsu PC350LC-8M0 УПРАВЛЯЮЩ. КЛАПАН, ЭЛЕМЕНТЫ (№8-) УПРАВЛЯЮЩ. КЛАПАН, С -СЕРВИСНЫЙ КЛАПАН

Схема запчастей Komatsu PC350LC-8M0 - УПРАВЛЯЮЩ. КЛАПАН, ЭЛЕМЕНТЫ (№8-) УПРАВЛЯЮЩ. КЛАПАН, С -СЕРВИСНЫЙ КЛАПАН
1
2
3
4
5
6
5
7
9
8
10
FIT
1:1
100%

Артикул

Название

Примечание

Количество

1

207-62-56190

Flange

2

07000-13035

O-ring

3

07372-21040

Bolt

4

01643-51032

Washer

5

02789-00210

Plug

6

14X-54-26640

Collar

7

04434-51012

Clip

8

01010-81275

Bolt

9

01643-31232

Washer

10

02774-00207

Hose

Выбрано товаров: 10