Качественные детали и логистика
Оригинальные и аналоговые запчасти с доставкой по России, Казахстану и Беларуси
©2022 PartSell ООО "Система" ИНН 2463123282 ОГРН 1212400004838
Центральный офис: г. Красноярск, Академика Киренского, д.87, пом.4
Телефон: 8 (800) 777-65-74 Email: zakaz@partsell.ru
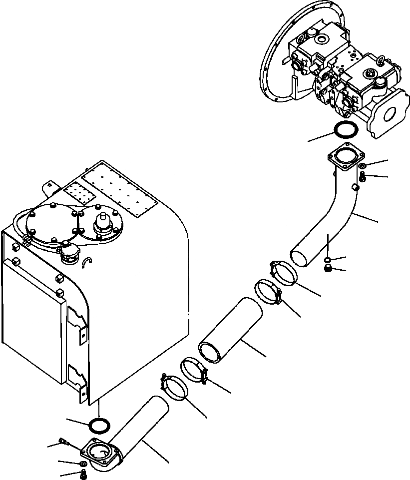
H-H ВСАСЫВ. ЛИНИЯ
№
Артикул
Название
Примечание
Количество
1
207-62-71141
TUBE
2
07000-12105
O-RING
3
7861-93-3320
SENSOR
4
207-62-74640
5
07040-12414
PLUG
6
07002-12434
7
8
07260-09936
HOSE
9
208-62-73910
CLAMP
10
01010-81240
BOLT
11
01643-31232
WASHER
Выбрано товаров: 0