Запчасти Komatsu PC350LL-7E0 J-8A ОСНОВНАЯ РАМА КОРПУС АККУМУЛЯТОРА ЧАСТИ КОРПУСА ОСНОВНАЯ РАМА И ЕЕ ЧАСТИ

Схема запчастей Komatsu PC350LL-7E0 - J-8A ОСНОВНАЯ РАМА КОРПУС АККУМУЛЯТОРА ЧАСТИ КОРПУСА ОСНОВНАЯ РАМА И ЕЕ ЧАСТИ
10
11
10
11
7
5
6
10
11
8
9
1
4
2
3
2
3
FIT
1:1
100%

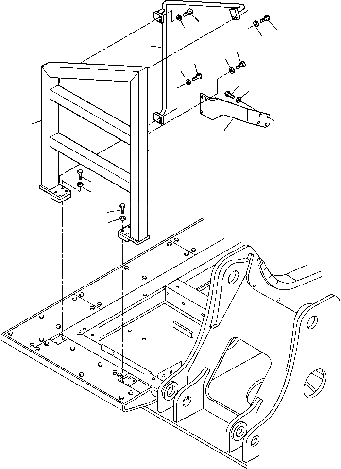
Артикул

Название

Примечание

Количество

1

207-54-A1941

GUARD

2

01010-81265

BOLT

3

01643-31232

WASHER

4

207-54-A1951

BRACKET

5

01010-81235

BOLT

6

01643-31232

WASHER

7

207-54-A1961

HANDRAIL

8

01010-81240

BOLT

9

01643-31232

WASHER

10

01010-81225

BOLT

11

01643-31232

WASHER

Выбрано товаров: 11