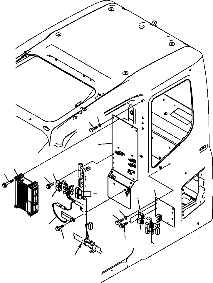
Запчасти Komatsu PC350LL-7E0 K-H КАБИНА ПАНЕЛЬ OPERATOR\XD S ОБСТАНОВКА И СИСТЕМА УПРАВЛЕНИЯ

Схема запчастей Komatsu PC350LL-7E0 - K-H КАБИНА ПАНЕЛЬ OPERATOR\XD S ОБСТАНОВКА И СИСТЕМА УПРАВЛЕНИЯ
3
2
1
4
8
5
9
11
10
14
8
13
12
6
15
7
16
17
FIT
1:1
100%

Артикул

Название

Примечание

Количество

1

208-53-12860

PLATE

2

01010-80816

BOLT

3

01643-30823

WASHER

4

7835-27-1000

CONTROLLER

5

01435-00885

BOLT

6

7861-94-3000

RESISTOR

7

01435-00816

BOLT

8

569-06-61960

RELAY

9

01435-00610

BOLT

10

8233-06-3350

DIODE

11

208-53-12880

BRACKET

12

01010-80816

BOLT

13

01643-30823

WASHER

14

198-911-9240

RELAY, 4-TERMINAL

15

20Y-979-6771

RELAY

16

01435-00610

BOLT

Выбрано товаров: 0