Запчасти Komatsu PC350LL-7E0 A-AB СИСТЕМА СМАЗКИ МАСЛООХЛАДИТЕЛЬ ДВИГАТЕЛЬ

Схема запчастей Komatsu PC350LL-7E0 - A-AB СИСТЕМА СМАЗКИ МАСЛООХЛАДИТЕЛЬ ДВИГАТЕЛЬ
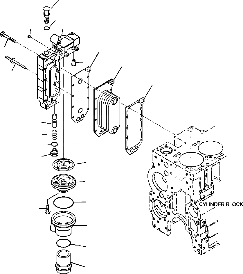
11
12
1
6
13
16
2
14
17
15
7
8
10
9
3
4
18
5
19
20
21
FIT
1:1
100%

Артикул

Название

Примечание

Количество

1

6743-61-2112

COVER, LUBRICATING OIL COOLER

2

6731-61-2151

VALVE, PRESSURE RELIEF

3

6742-01-2491

GASKET, CONNECTION

4

6742-01-2500

HEAD, LUBRICATING OIL FILTER

5

6732-21-6610

BOLT

6

6732-11-1930

PLUG, PIPE

7

6742-01-5202

PLUNGER, PRESSURE REGULATOR

8

6743-61-2150

SPRING, COMPRESSION

|$8

6742-01-4220

PLUG, THREADED

9

NSS

PLUG, THREADED

10

6742-01-5118

SEAL, O-RING

|$11

6742-01-5117

VALVE, BYPASS

11

NSS

VALVE, BYPASS

12

6742-01-2420

SEAL, O-RING

13

6743-51-4430

GASKET, LUBRICATING OIL COOLER COVER

14

6743-61-2210

CORE, COOLER

15

6742-01-1080

GASKET, OIL COOLER CORE

16

6742-01-2441

BOLT

17

6741-61-6110

BOLT

18

6741-61-2120

O-RING

19

6731-51-6280

COVER

20

6731-11-8290

SEAL

21

6731-51-6290

ADAPTER

Выбрано товаров: 23