Запчасти Komatsu PC350NLC-8 OPERATORґS КАБИНА (ПОЛ) (ПЕРЕКЛЮЧАТЕЛЬ) (№K-) K OPERATORґS ОБСТАНОВКА И СИСТЕМА УПРАВЛЕНИЯ

Схема запчастей Komatsu PC350NLC-8 - OPERATORґS КАБИНА (ПОЛ) (ПЕРЕКЛЮЧАТЕЛЬ) (№K-) K OPERATORґS ОБСТАНОВКА И СИСТЕМА УПРАВЛЕНИЯ
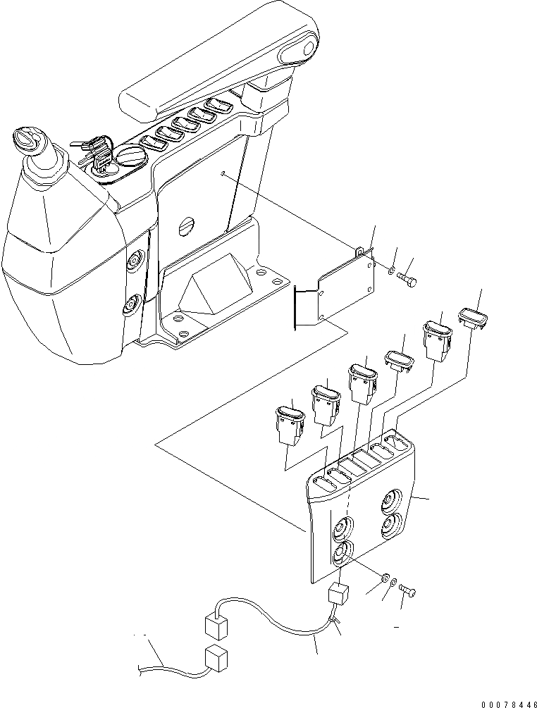
1
2
3
4
5
6
7
8
9
10
11
12
13
14
15
16
FIT
1:1
100%

Артикул

Название

Примечание

Количество

1

20Y-43-41880

COVER

2

01245-00616

SCREW

3

01643-70623

WASHER

4

20Y-53-12310

COLLAR

5

20Y-43-41372

ARM REST

6

01010-D0612

BOLT

7

01643-70623

WASHER

8

20Y-06-42150

SWITCH

9

20Y-06-42160

SWITCH

10

20Y-06-42190

COVER

11

20J-06-11630

SWITCH

12

20E-06-K1610

COVER

13

17A-06-42230

SWITCH

14

20Y-06-48651

WIRING HARNESS

15

08034-20536

BAND

16

207-06-76630

WIRING HARNESS

Выбрано товаров: 16