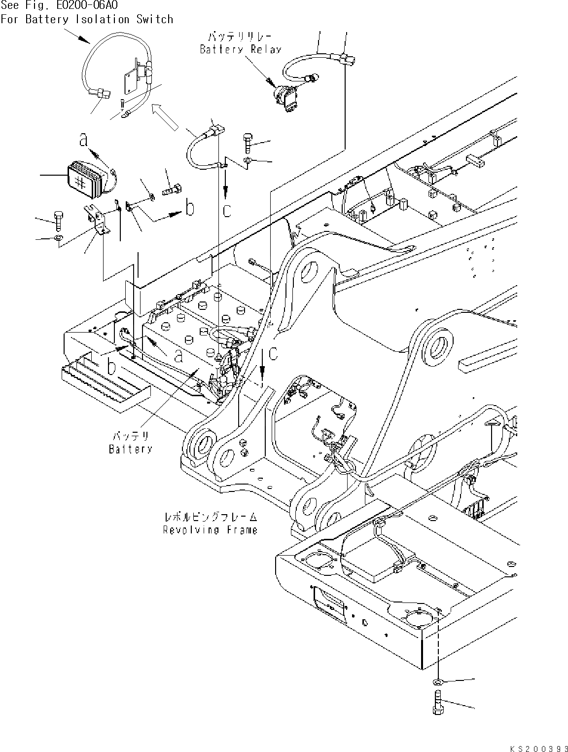
Запчасти Komatsu PC350NLC-8 ЭЛЕКТРИЧ. ЭЛЕКТРОПРОВОДКА (ЛАМПА РАБОЧ. ОСВЕЩЕНИЯ) E ЭЛЕКТРИКА

Схема запчастей Komatsu PC350NLC-8 - ЭЛЕКТРИЧ. ЭЛЕКТРОПРОВОДКА (ЛАМПА РАБОЧ. ОСВЕЩЕНИЯ) E ЭЛЕКТРИКА
4
2
5
6
8
9
7
13
12
11
10
2
1
4
5
16
3
14
15
FIT
1:1
100%

Артикул

Название

Примечание

Количество

1

08028-44040

CABLE

2

08038-22511

CAP

3

08038-42511

CAP

4

01010-81025

BOLT

5

01643-31032

WASHER

6

21T-06-32810

WORK LAMP ASSEMBLY

|7

421-06-23330

BULB 70W

7

20Y-06-31680

BRACKET

8

01010-81230

BOLT

9

01643-31232

WASHER

10

01010-81220

BOLT

11

01643-31232

WASHER

12

08057-12012

CLIP

13

08193-20012

CLIP

14

01010-81016

BOLT

15

01643-31032

WASHER

16

08028-CD065

CABLE

Выбрано товаров: 17