Запчасти Komatsu PC350NLC-8 ГИДРОЛИНИЯ СТРЕЛЫ (КОРПУС И КРЕПЛЕНИЕ) H ГИДРАВЛИКА

Схема запчастей Komatsu PC350NLC-8 - ГИДРОЛИНИЯ СТРЕЛЫ (КОРПУС И КРЕПЛЕНИЕ) H ГИДРАВЛИКА
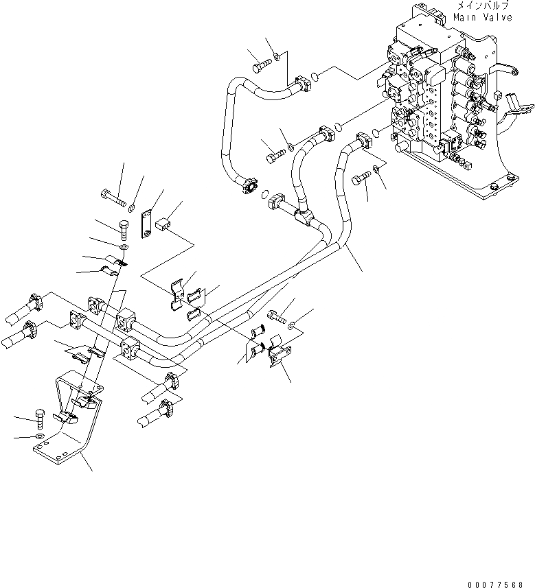
1
2
3
4
5
6
7
8
9
10
11
12
13
14
15
16
17
18
19
19
19
20
20
20
21
FIT
1:1
100%

Артикул

Название

Примечание

Количество

1

207-62-73540

BRACKET

2

205-62-73430

SEAT

3

01010-81235

BOLT

4

01643-31232

WASHER

5

207-62-52430

CLAMP

6

205-62-73430

SEAT

7

01010-81230

BOLT

8

01643-31232

WASHER

9

207-62-71330

BRACKET

10

205-62-73430

SEAT

11

01010-81230

BOLT

12

01643-31232

WASHER

13

207-62-54770

CLAMP

14

205-62-73430

SEAT

15

01010-81290

BOLT

16

01643-31232

WASHER

17

207-62-73550

BRACKET

18

20Y-62-45280

PLATE

19

07372-21040

BOLT

20

01643-51032

WASHER

21

207-62-71211

TUBE

Выбрано товаров: 21