Запчасти Komatsu PC35MR-1 ОСНОВН. НАСОС (/)(№-9) ОСНОВН. КОМПОНЕНТЫ И РЕМКОМПЛЕКТЫ

Схема запчастей Komatsu PC35MR-1 - ОСНОВН. НАСОС (/)(№-9) ОСНОВН. КОМПОНЕНТЫ И РЕМКОМПЛЕКТЫ
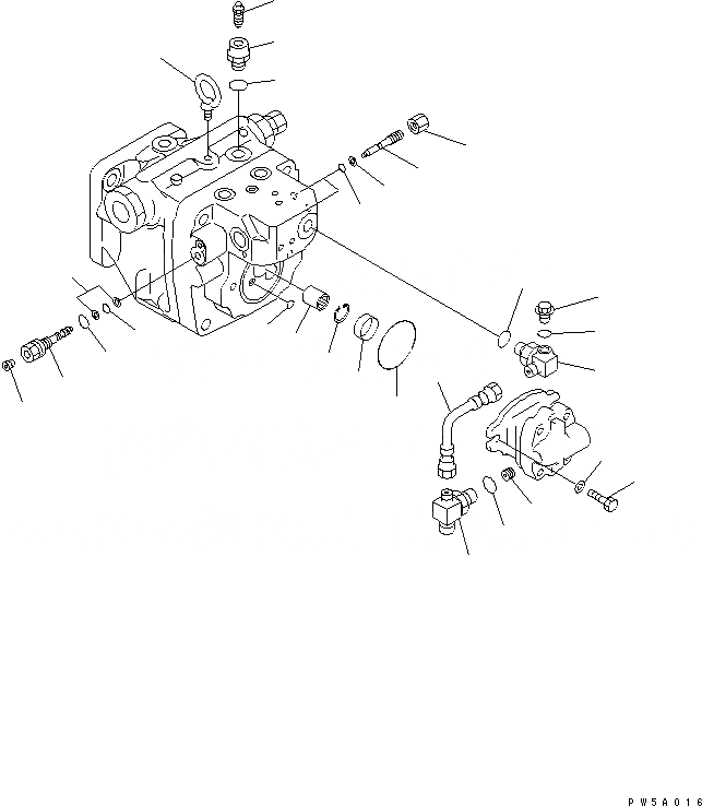
1
2
3
4
5
6
7
8
9
10
11
12
13
14
15
16
17
18
19
20
21
22
23
24
25
26
27
28
FIT
1:1
100%

Артикул

Название

Примечание

Количество

|1

708-3S-00210

PUMP ASS'Y

1

708-1T-19210

COUPLING

2

700-30-63140

RING,SNAP

3

708-1T-19230

RING

4

07000-11006

O-RING

5

07000-02060

O-RING

6

01010-80820

BOLT

7

01643-30823

WASHER

8

708-1T-19140

TEE

9

708-3S-19120

ORIFICE

10

07002-11823

O-RING

11

708-3S-19510

ELBOW

12

07002-11423

O-RING

13

708-8E-16150

PLUG

14

07002-11023

O-RING

15

708-1T-19440

TUBE

16

708-3S-15910

PLUG

17

706-86-51180

PLUG

18

07002-11023

O-RING

19

07000-11004

O-RING

20

07001-01004

RING

21

708-3S-15810

PLUG

22

708-3S-15820

NUT

23

07000-11003

O-RING

24

07001-01003

RING,BACK-UP

25

04530-11018

BOLT,EYE

26

708-1T-19541

PLUG

27

07002-11423

O-RING

28

20B-27-11210

BLEEDER

Выбрано товаров: 29