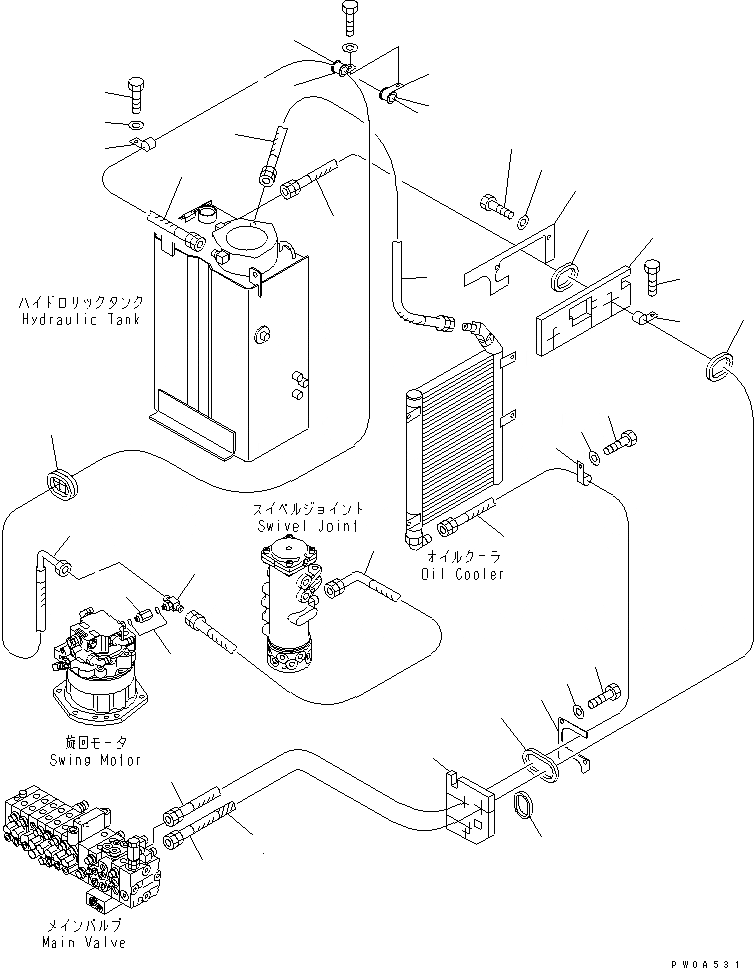
Запчасти Komatsu PC35MR-1 ВОЗВРАТНАЯ ЛИНИЯ(ДЛЯ ПОВОРОТН. ОТВАЛА С ИЗМ. УГЛОМ ОТВАЛ) ГИДРАВЛИКА

Схема запчастей Komatsu PC35MR-1 - ВОЗВРАТНАЯ ЛИНИЯ(ДЛЯ ПОВОРОТН. ОТВАЛА С ИЗМ. УГЛОМ ОТВАЛ) ГИДРАВЛИКА
1
1
2
2
3
3
4
5
5
6
6A
6B
6C
7
8
9
10
11
12
12
13
13
14
15
15
16
17
18
19
20
21
22
23
24
25
26
27
28
FIT
1:1
100%

Артикул

Название

Примечание

Количество

1

22F-62-11820

HOSE

2

22F-62-11830

HOSE

3

22F-62-12340

HOSE

4

20T-62-78260

COVER

5

22F-62-11661

HOSE

6

22F-910-1680

HOSE ASS'Y

6A

203-62-58440

TEE

6B

20Y-62-22160

ADAPTER

6C

07002-11423

O-RING

7

20T-62-71790

GROMMET

8

22F-62-12380

SHEET

9

22F-62-12370

PLATE

10

22F-62-12830

SHEET

11

22F-62-12840

PLATE

12

01010-81020

BOLT

13

01643-31032

WASHER

14

20T-62-81140

GROMMET

15

20T-62-81190

GROMMET

16

22F-62-12450

GROMMET

17

04434-53411

CLIP

18

01010-81020

BOLT

19

01643-31032

WASHER

20

04434-52511

CLIP

21

04434-51810

CLIP

22

01010-81020

BOLT

23

01010-81025

BOLT

24

01643-31032

WASHER

25

04434-52711

CLIP

26

20U-62-23250

CUSHION

27

04434-53211

CLIP

28

07095-20523

CUSHION

Выбрано товаров: 31