Запчасти Komatsu PC35MR-1 ШЛАНГИ РАБОЧ. ОБОРУД-Я ЧАСТИ BOOK

Схема запчастей Komatsu PC35MR-1 - ШЛАНГИ РАБОЧ. ОБОРУД-Я ЧАСТИ BOOK
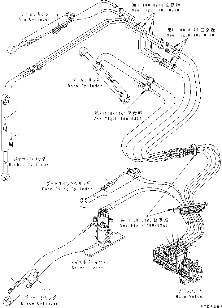
1
2
3
4
5
6
7
8
9
10
11
12
13
14
15
16
FIT
1:1
100%

Артикул

Название

Примечание

Количество

1

22F-62-11780

HOSE¤ 1370MM,(VALVE A3)

|1

22F-62-11380

HOSE,(VALVE A3)

2

22F-62-11370

HOSE¤ 1640MM,(VALVE B3)

|2

20S-62-82231

HOSE,(VALVE B3)

3

22F-62-12920

HOSE¤ 780MM,(CYLINDER HEAD)

4

22F-62-12910

HOSE¤ 1250MM,(CYLINDER BOTTOM)

5

22F-62-11740

HOSE¤ 1450MM,(VALVE A4)

|5

22F-62-12140

HOSE,(VALVE A4)

6

22F-62-11360

HOSE¤ 1550MM,(VALVE B4)

|6

22F-62-12140

HOSE,(VALVE B4)

7

20R-62-82170

HOSE,(CYLINDER HEAD)

8

20R-62-82160

HOSE¤ 700MM,(CYLINDER BOTTOM)

9

22F-62-11270

HOSE¤ 1380MM,(VALVE A5)

|9

22F-62-12140

HOSE,(VALVE A5)

10

22F-62-11590

HOSE¤ 1490MM,(VALVE B5)

|10

22F-62-12140

HOSE,(VALVE B5)

11

20S-62-82231

HOSE,(CYLINDER HEAD)

12

20S-62-82231

HOSE,(CYLINDER BOTTOM)

13

22F-62-11220

HOSE¤ 1100MM,(CYLINDER HEAD)

14

20T-62-83940

HOSE¤ 1200MM,(CYLINDER BOTTOM)

15

22F-62-12810

HOSE¤ 800MM,(CYLINDER HEAD)

16

22F-62-12820

HOSE¤ 1000MM,(CYLINDER BOTTOM)

Выбрано товаров: 22