Запчасти Komatsu PC35MR-1 ПОВОРОТН. ОТВАЛ С ИЗМ. УГЛОМ ЛИНИЯ ГИДРАВЛИКА

Схема запчастей Komatsu PC35MR-1 - ПОВОРОТН. ОТВАЛ С ИЗМ. УГЛОМ ЛИНИЯ ГИДРАВЛИКА
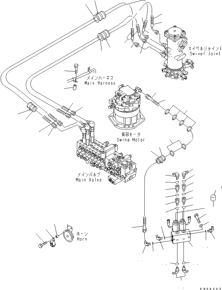
1
1
2
2
3
3
4
4
5
6
6
7
7
8
8
9
9
9
9
9
9
10
10
11
12
13
14
15
15
15
15
15
16
16
16
16
17
18
18
18
18
18
18
18
18
18
18
18
18A
19
20
21
22
23
FIT
1:1
100%

Артикул

Название

Примечание

Количество

1

22F-910-1460

HOSE¤ 620MM,BLUE-BLUE

2

22F-910-1470

HOSE¤ 720MM,RED-RED

3

22F-910-1480

HOSE¤ 800MM,ORANGE-ORANGE

4

22F-910-1490

HOSE¤ 730MM,WHITE-BLUE

5

08210-01206

SPIRAL TUBE

6

08210-01207

SPIRAL TUBE

7

07095-00630

CUSHION

8

07095-00314

CUSHION

9

08034-00823

BAND

10

203-62-52270

HOSE¤ 1400MM

11

08210-01213

SPIRAL TUBE

12

22F-910-1650

SOLENOID VALVE

13

01010-80870

BOLT

14

01643-30823

WASHER

15

21U-62-24110

ELBOW

16

203-62-58880

ADAPTER

17

07235-10210

ELBOW

18

07002-11423

O-RING

18A

22F-910-1790

CAP

19

21X-06-12310

RELAY ASS'Y

20

424-09-12640

SPACER

21

01010-80630

BOLT

22

195-01-16140

SPACER

23

01010-81050

BOLT

Выбрано товаров: 0