Запчасти Komatsu PC35MR-1 КОНДИЦ. ВОЗДУХА (ШЛАНГИ ОБОГРЕВАТЕЛЯ) КАБИНА ОПЕРАТОРА И СИСТЕМА УПРАВЛЕНИЯ

Схема запчастей Komatsu PC35MR-1 - КОНДИЦ. ВОЗДУХА (ШЛАНГИ ОБОГРЕВАТЕЛЯ) КАБИНА ОПЕРАТОРА И СИСТЕМА УПРАВЛЕНИЯ
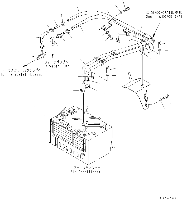
1
1
2
2
3
4
5
6
7
8
9
10
11
11
11
11
11
11
12
13
14
15
16
17
18
19
20
21
22
23
24
25
FIT
1:1
100%

Артикул

Название

Примечание

Количество

1

22F-979-1481

HOSE

2

22F-979-1490

HOSE

3

22M-977-1140

CLIP

|3

154-06-13780

CLAMP

4

01010-81020

BOLT

5

01643-31032

WASHER

6

09482-50000

VALVE

7

154-865-1160

ELBOW

8

20T-54-42510

NIPPLE

9

09483-20450

HOSE

10

09484-00450

CONNECTOR

11

09480-10100

CLAMP

12

22F-979-1521

BRACKET

13

01010-81030

BOLT

14

01643-31032

WASHER

15

565-44-15720

CLIP

16

01010-81016

BOLT

17

01643-31032

WASHER

18

22F-977-1130

BRACKET

19

01010-80816

BOLT

20

01643-30823

WASHER

21

04435-52110

CLIP

22

01010-81020

BOLT

23

01643-31032

WASHER

24

22F-979-1590

COVER

25

08034-20519

BAND

Выбрано товаров: 26